Главная > Подшипники> Роликовые > Радиальные сферические>241/560-B-K30-MB + AH241/560-H

241/560-B-K30-MB + AH241/560-H — Подшипник роликовый самоустанавливающийся, импортное производство по ISO стандарту, размер 530x920x355 номер основного исполнения .
Производитель: FAG.
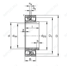
BK = K = коническое отверстие, конус 1:12. D1 = Смазочное отверстие и три отверстия в наружном кольце подшипника.
Цена по запросу
Цена на подшипник зависит от:
Габаритные размеры
Размеры и геометрические характеристики
Нагрузка и ресурс
Коэффициенты для расчета
Присоединительные размеры
Конструкция и исполнение
Прочие характеристики
Подшипник роликовый радиальный самоцентрирующийся 241/560 EK30W33+AOH241/560 (ISB)
Подшипник роликовый самоустанавливающийся раздельный 241SM530-MA (FAG)