Главная > Подшипники> Роликовые > Радиальные сферические>24096-B-K30-MB + AH24096-H

24096-B-K30-MB + AH24096-H — Подшипник роликовый самоустанавливающийся, импортное производство по ISO стандарту, размер 460x700x218 номер основного исполнения 24096.
Производитель: FAG.
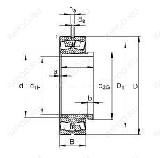
BK = K = коническое отверстие, конус 1:12. D1 = Смазочное отверстие и три отверстия в наружном кольце подшипника.
Цена от:486 899 р.
Цена на подшипник зависит от:
| Обозначение | Модификация |
|---|---|
| 24096 | Основное конструктивное исполнение. |
| 24096E | Е = Увеличенная грузоподъемность. |
| 24096B | B = однокомпонентное ребристое внутреннее кольцо. |
| 24096R | R = Наружное кольцо с фланцем . |
| 24096YMB | MB = Обработанный латунный сепаратор с внутренним кольцом. |
| 24096RHA | R = Наружное кольцо с фланцем . |
| 24096W33 | W3 = Смазочный паз и три отверстия в наружном кольце подшипника. |
| 24096EK30 | К = Коническая посадка, конусность 1:12. |
| 24096 K30 | К = Коническая посадка, конусность 1:12. |
| 24096BK30 | BK = K = коническое отверстие, конус 1:12. D1 = Смазочное отверстие и три отверстия в наружном кольце подшипника. |
| 24096RK30 | К = Коническая посадка, конусность 1:12. |
| 24096CAE4 | CA = цельный латунный сепаратор с механической обработкой, двойной зуб, удерживающие фланцы на внутреннем кольце и направляющем кольце, центрированные на внутреннем кольце. Е = увеличенная грузоподъемность. |
| 24096 CW33 | W3 = Смазочный паз и три отверстия в наружном кольце подшипника. |
| 24096-B-MB | B = 40 градусов угол контакта. M = обработанный латунный сепаратор, расположенныйна элементах качения. |
| 24096RHAK30 | К = Коническая посадка, конусность 1:12. |
| 24096 CAW33 | CA = цельный обработанный латунный сепаратор, двойной зуб, удерживающие фланцы на внутреннем кольце и направляющем кольце, центрированные на внутреннем кольце. W33 = кольцевой паз и три отверстия для смазки на внешнем кольце. |
| 24096 K30W33 | W3 = Смазочный паз и три отверстия в наружном кольце подшипника. |
| 24096-MB-W33 | MB = Обработанный латунный сепаратор с внутренним кольцом. KR = коническое отверстие. W33 = Смазочный паз и три отверстия в наружном кольце подшипника. |
| 24096CAK30E4 | CA = Цельный обработанный латунный сепаратор, двойной зуб, удерживающие фланцы на внутреннем кольце и направляющем кольце, центрированные на внутреннем кольце. |
| 24096-E1A-MB1 | MB = Обработанный латунный сепаратор с внутренним кольцом. |
| 24096 ECA/W33 | CA = цельный обработанный латунный сепаратор, двойной зуб, удерживающие фланцы на внутреннем кольце и направляющем кольце, центрированные на внутреннем кольце. W33 = кольцевой паз и три отверстия для смазки на внешнем кольце. |
| 24096-B-K30-MB | BK = K = коническое отверстие, конус 1:12. D1 = Смазочное отверстие и три отверстия в наружном кольце подшипника. |
| 24096 K30 CW33 | W3 = Смазочный паз и три отверстия в наружном кольце подшипника. |
| 24096 CAK30W33 | CA = Цельный обработанный латунный сепаратор, двойной зуб, удерживающие фланцы на внутреннем кольце и направляющем кольце, центрированные на внутреннем кольце. |
| 24096-K30-MB-W33 | MB = Обработанный латунный сепаратор с внутренним кольцом. KR = коническое отверстие. W33 = Смазочный паз и три отверстия в наружном кольце подшипника. |
| 24096 ECAK30/W33 | ECA (тип сегмента клетки, код M) = усиленный роликовый каркас, цельный латунный сепаратор с механической обработкой, двойной зуб, удерживающие фланцы на внутреннем кольце, направляющее кольцо по центру на внутреннем кольце. |
| 24096 K30CW33+AH24092 | W3 = Смазочный паз и три отверстия в наружном кольце подшипника. |
| 24096-B-K30-MB+AH24096 | BK = K = коническое отверстие, конус 1:12. D1 = Смазочное отверстие и три отверстия в наружном кольце подшипника. |
| 24096 EK30W33+AOH24096 | W3 = Смазочный паз и три отверстия в наружном кольце подшипника. |
Габаритные размеры
Размеры и геометрические характеристики
Нагрузка и ресурс
Коэффициенты для расчета
Присоединительные размеры
Конструкция и исполнение
Прочие характеристики