Главная > Подшипники> Роликовые > Радиальные сферические>24076-B-K30-MB + AH24076-H

24076-B-K30-MB + AH24076-H — Подшипник роликовый самоустанавливающийся, импортное производство по ISO стандарту, размер 360x560x180 номер основного исполнения 24076.
Производитель: FAG.
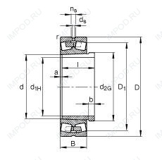
BK = K = коническое отверстие, конус 1:12. D1 = Смазочное отверстие и три отверстия в наружном кольце подшипника.
Цена по запросу
Цена на подшипник зависит от:
| Обозначение | Модификация |
|---|---|
| 24076 | Основное конструктивное исполнение. |
| 24076R | R = Наружное кольцо с фланцем . |
| 24076B | B = однокомпонентное ребристое внутреннее кольцо. |
| 24076E | Е = Увеличенная грузоподъемность. |
| 24076RHA | R = Наружное кольцо с фланцем . |
| 24076YMB | MB = Обработанный латунный сепаратор с внутренним кольцом. |
| 24076W33 | W3 = Смазочный паз и три отверстия в наружном кольце подшипника. |
| 24076BK30 | BK = K = коническое отверстие, конус 1:12. D1 = Смазочное отверстие и три отверстия в наружном кольце подшипника. |
| 24076RK30 | К = Коническая посадка, конусность 1:12. |
| 24076 K30 | К = Коническая посадка, конусность 1:12. |
| 24076CAE4 | CA = цельный латунный сепаратор с механической обработкой, двойной зуб, удерживающие фланцы на внутреннем кольце и направляющем кольце, центрированные на внутреннем кольце. Е = увеличенная грузоподъемность. |
| 24076EK30 | К = Коническая посадка, конусность 1:12. |
| 24076-B-MB | B = 40 градусов угол контакта. M = обработанный латунный сепаратор, расположенныйна элементах качения. |
| 24076 CW33 | W3 = Смазочный паз и три отверстия в наружном кольце подшипника. |
| 24076CAW33 | CA = цельный обработанный латунный сепаратор, двойной зуб, удерживающие фланцы на внутреннем кольце и направляющем кольце, центрированные на внутреннем кольце. W33 = кольцевой паз и три отверстия для смазки на внешнем кольце. |
| 24076RHAK30 | К = Коническая посадка, конусность 1:12. |
| 24076-MB-W33 | MB = Обработанный латунный сепаратор с внутренним кольцом. KR = коническое отверстие. W33 = Смазочный паз и три отверстия в наружном кольце подшипника. |
| 24076 K30W33 | W3 = Смазочный паз и три отверстия в наружном кольце подшипника. |
| 24076 CC/W33 | Радиальный сферический роликоподшипник исполнения С с улучшенным ведением роликов и, благодаря этому, сниженным потерям на трение. |
| 24076CAK30E4 | CA = Цельный обработанный латунный сепаратор, двойной зуб, удерживающие фланцы на внутреннем кольце и направляющем кольце, центрированные на внутреннем кольце. |
| 24076-E1A-MB1 | MB = Обработанный латунный сепаратор с внутренним кольцом. |
| 24076 K30 CW33 | W3 = Смазочный паз и три отверстия в наружном кольце подшипника. |
| 24076-B-K30-MB | BK = K = коническое отверстие, конус 1:12. D1 = Смазочное отверстие и три отверстия в наружном кольце подшипника. |
| 24076 CCK30/W33 | CC = сферический роликоподшипник конструкции C, с улучшенным управлением роликом. K = коническое отверстие, конус 1:12. |
| 24076-K30-MB-W33 | MB = Обработанный латунный сепаратор с внутренним кольцом. KR = коническое отверстие. W33 = Смазочный паз и три отверстия в наружном кольце подшипника. |
| 24076 K30CW33+AH24072 | W3 = Смазочный паз и три отверстия в наружном кольце подшипника. |
| 24076-B-K30-MB+AH24076 | BK = K = коническое отверстие, конус 1:12. D1 = Смазочное отверстие и три отверстия в наружном кольце подшипника. |
| 24076 EK30W33+AOH24076 | W3 = Смазочный паз и три отверстия в наружном кольце подшипника. |
| 24076-K30-MB-W33+AH24076 | MB = Обработанный латунный сепаратор с внутренним кольцом. KR = коническое отверстие. W33 = Смазочный паз и три отверстия в наружном кольце подшипника. |
Габаритные размеры
Размеры и геометрические характеристики
Нагрузка и ресурс
Коэффициенты для расчета
Присоединительные размеры
Конструкция и исполнение
Прочие характеристики