Главная > Подшипники> Роликовые > Радиальные сферические>24052-E1-K30 + AH24052

24052-E1-K30 + AH24052 — Подшипник роликовый самоустанавливающийся, импортное производство по ISO стандарту, размер 240x400x140 номер основного исполнения 24052.
Производитель: FAG.
E1 = Проектирование повышенной емкости.
Цена от:87 335 р.
Цена на подшипник зависит от:
| Обозначение | Модификация |
|---|---|
| 24052 | Основное конструктивное исполнение. |
| 24052E | Е = Увеличенная грузоподъемность. |
| 24052B | B = однокомпонентное ребристое внутреннее кольцо. |
| 24052R | R = Наружное кольцо с фланцем . |
| 24052YM | Y = Штампованный латунный сепаратор, центрируемый по телам качения. |
| 24052RHA | R = Наружное кольцо с фланцем . |
| 24052-E1 | E1 = Проектирование повышенной емкости. |
| 24052W33 | W3 = Смазочный паз и три отверстия в наружном кольце подшипника. |
| 24052RK30 | К = Коническая посадка, конусность 1:12. |
| 24052EK30 | К = Коническая посадка, конусность 1:12. |
| 24052BK30 | BK = K = коническое отверстие, конус 1:12. D1 = Смазочное отверстие и три отверстия в наружном кольце подшипника. |
| 24052CAE4 | CA = цельный латунный сепаратор с механической обработкой, двойной зуб, удерживающие фланцы на внутреннем кольце и направляющем кольце, центрированные на внутреннем кольце. Е = увеличенная грузоподъемность. |
| 24052 K30 | К = Коническая посадка, конусность 1:12. |
| 24052VMW33 | V = Увеличенная грузоподъемность, внутренняя модификация конструкции. M = обработанная латунная клетка, расположенная на элементах качения. W33 = Смазочный паз и три отверстия в наружном кольце подшипника. |
| 24052-B-MB | B = 40 градусов угол контакта. M = обработанный латунный сепаратор, расположенныйна элементах качения. |
| 24052 CW33 | W3 = Смазочный паз и три отверстия в наружном кольце подшипника. |
| 24052CW33MB | W3 = Смазочный паз и три отверстия в наружном кольце подшипника. |
| 24052RHAK30 | К = Коническая посадка, конусность 1:12. |
| 24052-MB-W33 | MB = Обработанный латунный сепаратор с внутренним кольцом. KR = коническое отверстие. W33 = Смазочный паз и три отверстия в наружном кольце подшипника. |
| 24052CAK30E4 | CA = Цельный обработанный латунный сепаратор, двойной зуб, удерживающие фланцы на внутреннем кольце и направляющем кольце, центрированные на внутреннем кольце. |
| 24052 K30W33 | W3 = Смазочный паз и три отверстия в наружном кольце подшипника. |
| 24052-E1-K30 | E1 = Проектирование повышенной емкости. |
| 24052 CC/W33 | Радиальный сферический роликоподшипник исполнения С с улучшенным ведением роликов и, благодаря этому, сниженным потерям на трение. |
| 24052VMK30W33 | W3 = Смазочный паз и три отверстия в наружном кольце подшипника. |
| 24052MBK30W33 | BK = K = коническое отверстие, конус 1:12. D1 = Смазочное отверстие и три отверстия в наружном кольце подшипника. |
| 24052-B-K30-MB | BK = K = коническое отверстие, конус 1:12. D1 = Смазочное отверстие и три отверстия в наружном кольце подшипника. |
| 24052 K30 CW33 | W3 = Смазочный паз и три отверстия в наружном кольце подшипника. |
| 24052CCK30/W33 | CC = сферический роликоподшипник конструкции C, с улучшенным управлением роликом. K = коническое отверстие, конус 1:12. |
| 24052-K30-MB-W33 | MB = Обработанный латунный сепаратор с внутренним кольцом. KR = коническое отверстие. W33 = Смазочный паз и три отверстия в наружном кольце подшипника. |
| 24052 K30CW33+AH24052 | W3 = Смазочный паз и три отверстия в наружном кольце подшипника. |
| 24052 EK30W33+AOH24052 | W3 = Смазочный паз и три отверстия в наружном кольце подшипника. |
| 24052-B-K30-MB+AH24052 | BK = K = коническое отверстие, конус 1:12. D1 = Смазочное отверстие и три отверстия в наружном кольце подшипника. |
| 24052-K30-MB-W33+AH24052 | MB = Обработанный латунный сепаратор с внутренним кольцом. KR = коническое отверстие. W33 = Смазочный паз и три отверстия в наружном кольце подшипника. |
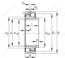
Габаритные размеры
Размеры и геометрические характеристики
Нагрузка и ресурс
Коэффициенты для расчета
Присоединительные размеры
Конструкция и исполнение
Прочие характеристики