Главная > Подшипники> Роликовые > Радиальные сферические>24048-E1-K30 + AH24048

24048-E1-K30 + AH24048 — Подшипник роликовый самоустанавливающийся, импортное производство по ISO стандарту, размер 220x360x118 номер основного исполнения 24048.
Производитель: FAG.
E1 = Проектирование повышенной емкости.
Цена от:41 789 р.
Цена на подшипник зависит от:
| Обозначение | Модификация |
|---|---|
| 24048 | Основное конструктивное исполнение. |
| 24048R | R = Наружное кольцо с фланцем . |
| 24048E | Е = Увеличенная грузоподъемность. |
| 24048B | B = однокомпонентное ребристое внутреннее кольцо. |
| 24048YM | 8Y = Упорный шарикоподшипник двойного направления. |
| 24048RHA | R = Наружное кольцо с фланцем . |
| 24048W33 | W3 = Смазочный паз и три отверстия в наружном кольце подшипника. |
| 24048 E1 | E1 = Проектирование повышенной емкости. |
| 24048CE4 | С = Необслуживаемые концы стержней, внутренняя резьба. |
| 24048EK30 | К = Коническая посадка, конусность 1:12. |
| 24048 K30 | К = Коническая посадка, конусность 1:12. |
| 24048BK30 | BK = K = коническое отверстие, конус 1:12. D1 = Смазочное отверстие и три отверстия в наружном кольце подшипника. |
| 24048RK30 | К = Коническая посадка, конусность 1:12. |
| 24048EMW33 | E = Увеличенная грузоподъемность. М = Механически обработанный латунный сепаратор, центрируемый по роликам. W33 = Смазочный паз и три отверстия в наружном кольце подшипника. |
| 24048-B-MB | B = 40 градусов угол контакта. M = обработанный латунный сепаратор, расположенныйна элементах качения. |
| 24048 CW33 | W3 = Смазочный паз и три отверстия в наружном кольце подшипника. |
| 24048CK30E4 | К = Коническая посадка, конусность 1:12. |
| 24048 E1.C3 | C3 = Радиальный внутренний зазор больше нормального. |
| 24048RHAK30 | К = Коническая посадка, конусность 1:12. |
| 24048CW33MB | W3 = Смазочный паз и три отверстия в наружном кольце подшипника. |
| 24048 CC.W33 | Радиальный сферический роликоподшипник исполнения С с улучшенным ведением роликов и, благодаря этому, сниженным потерям на трение. |
| 24048 K30W33 | W3 = Смазочный паз и три отверстия в наружном кольце подшипника. |
| 24048-E1-K30 | E1 = Проектирование повышенной емкости. |
| 24048-MB-W33 | MB = Обработанный латунный сепаратор с внутренним кольцом. KR = коническое отверстие. W33 = Смазочный паз и три отверстия в наружном кольце подшипника. |
| 24048MBK30W33 | BK = K = коническое отверстие, конус 1:12. D1 = Смазочное отверстие и три отверстия в наружном кольце подшипника. |
| 24048 B.MB.C3 | B MB C3 = B = Модифицированная внутренняя конструкция. MB = сплошная латунная клетка, руководство по внутреннему кольцу. C3 = Внутренний зазор больше, чем обычно. |
| 24048EMK30W33 | W3 = Смазочный паз и три отверстия в наружном кольце подшипника. |
| 24048 CC.C3W33 | C3W33 = C3 = Радиальный внутренний зазор больше, чем обычно. W33 = Смазочная канавка и три отверстия в наружном кольце подшипника. |
| 24048 K30 CW33 | W3 = Смазочный паз и три отверстия в наружном кольце подшипника. |
| 24048-B-K30-MB | BK = K = коническое отверстие, конус 1:12. D1 = Смазочное отверстие и три отверстия в наружном кольце подшипника. |
| 24048 CCK30.W33 | CC = сферический роликоподшипник конструкции C, с улучшенным управлением роликом. K = коническое отверстие, конус 1:12. |
| 24048-K30-MB-W33 | MB = Обработанный латунный сепаратор с внутренним кольцом. KR = коническое отверстие. W33 = Смазочный паз и три отверстия в наружном кольце подшипника. |
| 24048 K30CW33+AH24048 | W3 = Смазочный паз и три отверстия в наружном кольце подшипника. |
| 24048 EK30W33+AOH24048 | W3 = Смазочный паз и три отверстия в наружном кольце подшипника. |
| 24048-B-K30-MB+AH24048 | BK = K = коническое отверстие, конус 1:12. D1 = Смазочное отверстие и три отверстия в наружном кольце подшипника. |
| 24048-K30-MB-W33+AH24048 | MB = Обработанный латунный сепаратор с внутренним кольцом. KR = коническое отверстие. W33 = Смазочный паз и три отверстия в наружном кольце подшипника. |
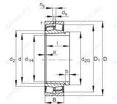
Габаритные размеры
Размеры и геометрические характеристики
Нагрузка и ресурс
Коэффициенты для расчета
Присоединительные размеры
Конструкция и исполнение
Прочие характеристики