Главная > Подшипники> Роликовые > Радиальные сферические>23984-K-MB + H3984-HG

23984-K-MB + H3984-HG — Подшипник роликовый самоустанавливающийся, импортное производство по ISO стандарту, размер 400x560x106 номер основного исполнения 23984.
Производитель: FAG.
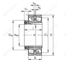
K = коническое отверстие, конус 1:12. М = Механически обработанный латунный сепаратор, центрируемый по роликам.
Цена от:127 825 р.
Цена на подшипник зависит от:
| Обозначение | Модификация |
|---|---|
| 23984 | Основное конструктивное исполнение. |
| 23984E | Е = Увеличенная грузоподъемность. |
| 23984K | К = Коническая посадка, конусность 1:12. |
| 23984R | R = Наружное кольцо с фланцем . |
| 23984EK | К = Коническая посадка, конусность 1:12. |
| 23984RK | К = Коническая посадка, конусность 1:12. |
| 23984YMB | MB = Обработанный латунный сепаратор с внутренним кольцом. |
| 23984W33 | W3 = Смазочный паз и три отверстия в наружном кольце подшипника. |
| 23984-MB | MB = Обработанный латунный сепаратор с внутренним кольцом. |
| 23984CAE4 | CA = цельный латунный сепаратор с механической обработкой, двойной зуб, удерживающие фланцы на внутреннем кольце и направляющем кольце, центрированные на внутреннем кольце. Е = увеличенная грузоподъемность. |
| 23984CAKE4 | CA = Цельный обработанный латунный сепаратор, двойной зуб, удерживающие фланцы на внутреннем кольце и направляющем кольце, центрированные на внутреннем кольце. |
| 23984 KW33 | K = коническое отверстие, конус 1:12. W33 = Смазочный паз и три отверстия в наружном кольце подшипника. |
| 23984-K-MB | K = коническое отверстие, конус 1:12. М = Механически обработанный латунный сепаратор, центрируемый по роликам. |
| 23984 CW33 | W3 = Смазочный паз и три отверстия в наружном кольце подшипника. |
| 23984CC/W33 | Радиальный сферический роликоподшипник исполнения С с улучшенным ведением роликов и, благодаря этому, сниженным потерям на трение. |
| 23984CW33MB | W3 = Смазочный паз и три отверстия в наружном кольце подшипника. |
| 23984 KCW33 | W3 = Смазочный паз и три отверстия в наружном кольце подшипника. |
| 23984-MB-W33 | MB = Обработанный латунный сепаратор с внутренним кольцом. KR = коническое отверстие. W33 = Смазочный паз и три отверстия в наружном кольце подшипника. |
| 23984CCK/W33 | CC = сферический роликоподшипник конструкции C, с улучшенным управлением роликом. K = коническое отверстие, конус 1:12. W33 = Смазочный паз и три отверстия в наружном кольце подшипника. |
| 23984-K-MB-W33 | MB = Обработанный латунный сепаратор с внутренним кольцом. KR = коническое отверстие. W33 = Смазочный паз и три отверстия в наружном кольце подшипника. |
| 23984-K-MB+H3984 | K = коническое отверстие, конус 1:12. М = Механически обработанный латунный сепаратор, центрируемый по роликам. |
| 23984 KCW33+H3984 | W3 = Смазочный паз и три отверстия в наружном кольце подшипника. |
| 23984-K-MB+AH3984G | K = коническое отверстие, конус 1:12. М = Механически обработанный латунный сепаратор, центрируемый по роликам. |
| 23984 EKW33+OH3984 | K = коническое отверстие, конус 1:12. W33 = Смазочный паз и три отверстия в наружном кольце подшипника. |
| 23984 KCW33+AH3984 | W3 = Смазочный паз и три отверстия в наружном кольце подшипника. |
| 23984-K-MB + AH3984G-H | K = коническое отверстие, конус 1:12. М = Механически обработанный латунный сепаратор, центрируемый по роликам. |
Габаритные размеры
Размеры и геометрические характеристики
Нагрузка и ресурс
Коэффициенты для расчета
Присоединительные размеры
Конструкция и исполнение
Прочие характеристики