Главная > Подшипники> Роликовые > Радиальные сферические>23980-B-K-MB + AH3980G-H

23980-B-K-MB + AH3980G-H — Подшипник роликовый самоустанавливающийся, импортное производство по ISO стандарту, размер 380x540x106 номер основного исполнения 23980.
Производитель: FAG.
80G = G = Втулки подшипника с возможностью смазки.
Цена от:187 475 р.
Цена на подшипник зависит от:
| Обозначение | Модификация |
|---|---|
| 23980 | Основное конструктивное исполнение. |
| 23980R | R = Наружное кольцо с фланцем . |
| 23980E | Е = Увеличенная грузоподъемность. |
| 23980K | К = Коническая посадка, конусность 1:12. |
| 23980RK | К = Коническая посадка, конусность 1:12. |
| 23980EK | К = Коническая посадка, конусность 1:12. |
| 23980YMB | MB = Обработанный латунный сепаратор с внутренним кольцом. |
| 23980W33 | W3 = Смазочный паз и три отверстия в наружном кольце подшипника. |
| 23980CAE4 | CA = цельный латунный сепаратор с механической обработкой, двойной зуб, удерживающие фланцы на внутреннем кольце и направляющем кольце, центрированные на внутреннем кольце. Е = увеличенная грузоподъемность. |
| 23980CAKE4 | CA = Цельный обработанный латунный сепаратор, двойной зуб, удерживающие фланцы на внутреннем кольце и направляющем кольце, центрированные на внутреннем кольце. |
| 23980 KW33 | K = коническое отверстие, конус 1:12. W33 = Смазочный паз и три отверстия в наружном кольце подшипника. |
| 23980-B-MB | B = 40 градусов угол контакта. M = обработанный латунный сепаратор, расположенныйна элементах качения. |
| 23980MBW33 | MB = Обработанный латунный сепаратор с внутренним кольцом. KR = коническое отверстие. W33 = Смазочный паз и три отверстия в наружном кольце подшипника. |
| 23980 CW33 | W3 = Смазочный паз и три отверстия в наружном кольце подшипника. |
| 23980CC/W33 | Радиальный сферический роликоподшипник исполнения С с улучшенным ведением роликов и, благодаря этому, сниженным потерям на трение. |
| 23980 KCW33 | W3 = Смазочный паз и три отверстия в наружном кольце подшипника. |
| 23980-B-K-MB | BK = K = коническое отверстие, конус 1:12. D1 = Смазочное отверстие и три отверстия в наружном кольце подшипника. |
| 23980 CCK/W33 | CC = сферический роликоподшипник конструкции C, с улучшенным управлением роликом. K = коническое отверстие, конус 1:12. W33 = Смазочный паз и три отверстия в наружном кольце подшипника. |
| 23980-K-MB-W33 | MB = Обработанный латунный сепаратор с внутренним кольцом. KR = коническое отверстие. W33 = Смазочный паз и три отверстия в наружном кольце подшипника. |
| 23980 EKW33+OH3980 | K = коническое отверстие, конус 1:12. W33 = Смазочный паз и три отверстия в наружном кольце подшипника. |
| 23980-B-K-MB + H3980-HG | BK = K = коническое отверстие, конус 1:12. D1 = Смазочное отверстие и три отверстия в наружном кольце подшипника. |
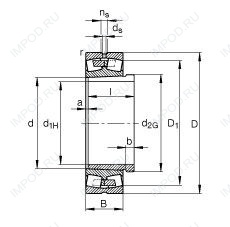
Габаритные размеры
Размеры и геометрические характеристики
Нагрузка и ресурс
Коэффициенты для расчета
Присоединительные размеры
Конструкция и исполнение
Прочие характеристики