Главная > Подшипники> Роликовые > Радиальные сферические>23960-B-K-MB + H3960

23960-B-K-MB + H3960 — Подшипник роликовый самоустанавливающийся, импортное производство по ISO стандарту, размер 280x420x90 номер основного исполнения 23960.
Производитель: FAG.
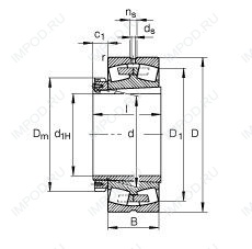
BK = K = коническое отверстие, конус 1:12. D1 = Смазочное отверстие и три отверстия в наружном кольце подшипника.
Цена от:59 160 р.
Цена на подшипник зависит от:
| Обозначение | Модификация |
|---|---|
| 23960 | Основное конструктивное исполнение. |
| 23960R | R = Наружное кольцо с фланцем . |
| 23960E | Е = Увеличенная грузоподъемность. |
| 23960 K | К = Коническая посадка, конусность 1:12. |
| 23960RK | К = Коническая посадка, конусность 1:12. |
| 23960EK | К = Коническая посадка, конусность 1:12. |
| 23960W33 | W3 = Смазочный паз и три отверстия в наружном кольце подшипника. |
| 23960YMB | MB = Обработанный латунный сепаратор с внутренним кольцом. |
| 23960CAE4 | CA = цельный латунный сепаратор с механической обработкой, двойной зуб, удерживающие фланцы на внутреннем кольце и направляющем кольце, центрированные на внутреннем кольце. Е = увеличенная грузоподъемность. |
| 23960/302 | |
| 23960CAKE4 | CA = Цельный обработанный латунный сепаратор, двойной зуб, удерживающие фланцы на внутреннем кольце и направляющем кольце, центрированные на внутреннем кольце. |
| 23960 KW33 | K = коническое отверстие, конус 1:12. W33 = Смазочный паз и три отверстия в наружном кольце подшипника. |
| 23960 B.MB | B = 40 градусов угол контакта. M = обработанный латунный сепаратор, расположенныйна элементах качения. |
| 23960 CW33 | W3 = Смазочный паз и три отверстия в наружном кольце подшипника. |
| 23960 KCW33 | W3 = Смазочный паз и три отверстия в наружном кольце подшипника. |
| TL23960CAE4 | CA = цельный латунный сепаратор с механической обработкой, двойной зуб, удерживающие фланцы на внутреннем кольце и направляющем кольце, центрированные на внутреннем кольце. Е = увеличенная грузоподъемность. |
| 23960 CC/W33 | Радиальный сферический роликоподшипник исполнения С с улучшенным ведением роликов и, благодаря этому, сниженным потерям на трение. |
| 23960-B-K-MB | BK = K = коническое отверстие, конус 1:12. D1 = Смазочное отверстие и три отверстия в наружном кольце подшипника. |
| 23960-MB-W33 | MB = Обработанный латунный сепаратор с внутренним кольцом. KR = коническое отверстие. W33 = Смазочный паз и три отверстия в наружном кольце подшипника. |
| TL23960CAKE4 | CA = Цельный обработанный латунный сепаратор, двойной зуб, удерживающие фланцы на внутреннем кольце и направляющем кольце, центрированные на внутреннем кольце. |
| 23960 CCK/W33 | CC = сферический роликоподшипник конструкции C, с улучшенным управлением роликом. K = коническое отверстие, конус 1:12. W33 = Смазочный паз и три отверстия в наружном кольце подшипника. |
| 23960-K-MB-W33 | MB = Обработанный латунный сепаратор с внутренним кольцом. KR = коническое отверстие. W33 = Смазочный паз и три отверстия в наружном кольце подшипника. |
| 23960 KCW33+H3960 | W3 = Смазочный паз и три отверстия в наружном кольце подшипника. |
| 23960 EKW33+OH3960 | K = коническое отверстие, конус 1:12. W33 = Смазочный паз и три отверстия в наружном кольце подшипника. |
| 23960 KCW33+AH3960 | W3 = Смазочный паз и три отверстия в наружном кольце подшипника. |
| 23960-B-K-MB + AH3960G | 60G = G = Втулки подшипника с возможностью смазки. |
Габаритные размеры
Размеры и геометрические характеристики
Нагрузка и ресурс
Коэффициенты для расчета
Присоединительные размеры
Конструкция и исполнение
Прочие характеристики