Главная > Подшипники> Роликовые > Радиальные сферические>239/900-K-MB + AH39/900-H

239/900-K-MB + AH39/900-H — Подшипник роликовый самоустанавливающийся, импортное производство по ISO стандарту, размер 850x1180x206 номер основного исполнения .
Производитель: FAG.
K = коническое отверстие, конус 1:12. М = Механически обработанный латунный сепаратор, центрируемый по роликам.
Цена по запросу
Цена на подшипник зависит от:
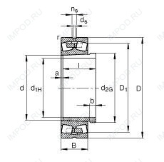
Габаритные размеры
Размеры и геометрические характеристики
Нагрузка и ресурс
Коэффициенты для расчета
Присоединительные размеры
Конструкция и исполнение
Прочие характеристики
Подшипник роликовый радиальный самоцентрирующийся 239/900 EKW33+OH39/900 (ISB)
Подшипник роликовый самоустанавливающийся 239/900-K-MB + H39/900-HG (FAG)