Главная > Подшипники> Роликовые > Радиальные сферические>239/800-B-K-MB + H39/800-HG

239/800-B-K-MB + H39/800-HG — Подшипник роликовый самоустанавливающийся, импортное производство по ISO стандарту, размер 750x1060x195 номер основного исполнения .
Производитель: FAG.
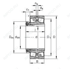
BK = K = коническое отверстие, конус 1:12. D1 = Смазочное отверстие и три отверстия в наружном кольце подшипника.
Цена по запросу
Цена на подшипник зависит от:
Габаритные размеры
Размеры и геометрические характеристики
Нагрузка и ресурс
Коэффициенты для расчета
Присоединительные размеры
Конструкция и исполнение
Прочие характеристики
Подшипник роликовый радиальный самоцентрирующийся 239/800 EKW33+OH39/800 (ISB)
Подшипник роликовый самоустанавливающийся 239/800-B-K-MB + AH39/800-H (FAG)