Главная > Подшипники> Роликовые > Радиальные сферические>239/710-K-MB + H39/710-HG

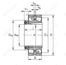
239/710-K-MB + H39/710-HG — Подшипник роликовый самоустанавливающийся, импортное производство по ISO стандарту, размер 670x950x180 номер основного исполнения .
Производитель: FAG.
K = коническое отверстие, конус 1:12. М = Механически обработанный латунный сепаратор, центрируемый по роликам.
Цена по запросу
Цена на подшипник зависит от:
Габаритные размеры
Размеры и геометрические характеристики
Нагрузка и ресурс
Коэффициенты для расчета
Присоединительные размеры
Конструкция и исполнение
Прочие характеристики
Подшипник роликовый радиальный самоцентрирующийся 239/710 EKW33+OH39/710 (ISB)
Подшипник роликовый самоустанавливающийся 239/710-K-MB + AH39/710-H (FAG)