Главная > Подшипники> Роликовые > Радиальные сферические>239/600-B-K-MB + H39/600-HG

239/600-B-K-MB + H39/600-HG — Подшипник роликовый самоустанавливающийся, импортное производство по ISO стандарту, размер 560x800x150 номер основного исполнения .
Производитель: FAG.
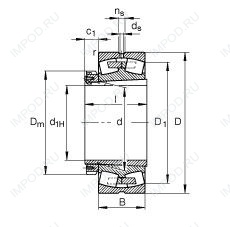
BK = K = коническое отверстие, конус 1:12. D1 = Смазочное отверстие и три отверстия в наружном кольце подшипника.
Цена от:222 727 р.
Цена на подшипник зависит от:
Габаритные размеры
Размеры и геометрические характеристики
Нагрузка и ресурс
Коэффициенты для расчета
Присоединительные размеры
Конструкция и исполнение
Прочие характеристики
Подшипник роликовый радиальный самоцентрирующийся 239/600 EKW33+OH39/600 (ISB)
Подшипник роликовый самоустанавливающийся раздельный 239SM560-MA (FAG)