Главная > Подшипники> Роликовые > Радиальные сферические>239/600-B-K-MB + AH39/600-H

239/600-B-K-MB + AH39/600-H — Подшипник роликовый самоустанавливающийся, импортное производство по ISO стандарту, размер 570x800x150 номер основного исполнения .
Производитель: FAG.
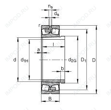
BK = K = коническое отверстие, конус 1:12. D1 = Смазочное отверстие и три отверстия в наружном кольце подшипника.
Цена от:222 727 р.
Цена на подшипник зависит от:
Габаритные размеры
Размеры и геометрические характеристики
Нагрузка и ресурс
Коэффициенты для расчета
Присоединительные размеры
Конструкция и исполнение
Прочие характеристики