Главная > Подшипники> Роликовые > Радиальные сферические>239/560-B-K-MB + H39/560-HG

239/560-B-K-MB + H39/560-HG — Подшипник роликовый самоустанавливающийся, импортное производство по ISO стандарту, размер 530x750x140 номер основного исполнения .
Производитель: FAG.
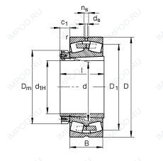
BK = K = коническое отверстие, конус 1:12. D1 = Смазочное отверстие и три отверстия в наружном кольце подшипника.
Цена по запросу
Цена на подшипник зависит от:
Габаритные размеры
Размеры и геометрические характеристики
Нагрузка и ресурс
Коэффициенты для расчета
Присоединительные размеры
Конструкция и исполнение
Прочие характеристики
Подшипник роликовый самоустанавливающийся 239/560-B-K-MB + AH39/560-H (FAG)
Подшипник роликовый радиальный самоцентрирующийся 239/560 EKW33+OH39/560 (ISB)
Подшипник роликовый самоустанавливающийся раздельный 239SM530-MA (FAG)