Главная > Подшипники> Роликовые > Радиально-упорные>23690/23620

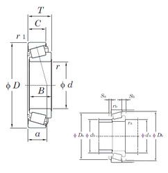
23690/23620 — Однорядный конический роликовый подшипник, импортное производство по ISO стандарту, размер 34x73x26 номер основного исполнения .
Производится брендами: Fersa, KOYO, TIMKEN.
Цена от:2 169 р.
Цена на подшипник зависит от:
Габаритные размеры
Размеры и геометрические характеристики
Нагрузка и ресурс
Защита
Коэффициенты для расчета
Присоединительные размеры
Конструкция и исполнение