Главная > Подшипники> Шариковые> Упорные>234712-M-SP

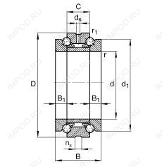
234712-M-SP — Шариковый радиально-упорный подшипник двойного направления, импортное производство по ISO стандарту, размер 62x95x44 номер основного исполнения 234712.
Производится брендами: CX, FAG.
SP = Специальный класс точности для подшипников станков: точность размеров приблизительно до P5, точность хода приблизительно до P4.
Цена по запросу
Цена на подшипник зависит от:
Габаритные размеры
Размеры и геометрические характеристики
Нагрузка и ресурс
Защита
Отклонение, точность вращения
Присоединительные размеры
Конструкция и исполнение
Прочие характеристики