Главная > Подшипники> Шариковые> Упорные>234411-M-SP

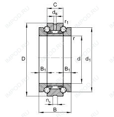
234411-M-SP — Шариковый радиально-упорный подшипник двойного направления, импортное производство по ISO стандарту, размер 55x90x44 номер основного исполнения 234411.
Производится брендами: CX, FAG.
SP = Специальный класс точности для подшипников станков: точность размеров приблизительно до P5, точность хода приблизительно до P4.
Цена от:19 291 р.
Цена на подшипник зависит от:
Габаритные размеры
Размеры и геометрические характеристики
Нагрузка и ресурс
Защита
Отклонение, точность вращения
Присоединительные размеры
Конструкция и исполнение
Прочие характеристики
Подшипник шариковый упорно-радиальный 4-178811 Л2 (ГПЗ-3)
Осевой радиально-упорный шарикоподшипник 562011/GNP5 (NTN)
Осевой радиально-упорный шарикоподшипник 55TAD20 (NACHI)
Осевой радиально-упорный шарикоподшипник 55TAC20X+L (NSK)
Прецизионный двойной упорно-радиальный шарикоподшипник BTW 55 CTN9/SP (SKF)