Главная > Подшипники> Роликовые > Радиальные сферические>23296-K-MB + H3296-HG

23296-K-MB + H3296-HG — Подшипник роликовый самоустанавливающийся, импортное производство по ISO стандарту, размер 450x870x310 номер основного исполнения 23296.
Производитель: FAG.
K = коническое отверстие, конус 1:12. М = Механически обработанный латунный сепаратор, центрируемый по роликам.
Цена по запросу
Цена на подшипник зависит от:
| Обозначение | Модификация |
|---|---|
| 23296 | Основное конструктивное исполнение. |
| 23296R | R = Наружное кольцо с фланцем . |
| 23296E | Е = Увеличенная грузоподъемность. |
| 23296B | B = однокомпонентное ребристое внутреннее кольцо. |
| 23296EK | К = Коническая посадка, конусность 1:12. |
| 23296BK | BK = K = коническое отверстие, конус 1:12. D1 = Смазочное отверстие и три отверстия в наружном кольце подшипника. |
| 23296RK | К = Коническая посадка, конусность 1:12. |
| 23296 K | К = Коническая посадка, конусность 1:12. |
| 23296W33 | W3 = Смазочный паз и три отверстия в наружном кольце подшипника. |
| 23296RHA | R = Наружное кольцо с фланцем . |
| 23296-MB | MB = Обработанный латунный сепаратор с внутренним кольцом. |
| 23296YMB | MB = Обработанный латунный сепаратор с внутренним кольцом. |
| 23296CAE4 | CA = цельный латунный сепаратор с механической обработкой, двойной зуб, удерживающие фланцы на внутреннем кольце и направляющем кольце, центрированные на внутреннем кольце. Е = увеличенная грузоподъемность. |
| 23296RHAK | К = Коническая посадка, конусность 1:12. |
| 23296 CW33 | W3 = Смазочный паз и три отверстия в наружном кольце подшипника. |
| 23296 KW33 | K = коническое отверстие, конус 1:12. W33 = Смазочный паз и три отверстия в наружном кольце подшипника. |
| 23296-K-MB | K = коническое отверстие, конус 1:12. М = Механически обработанный латунный сепаратор, центрируемый по роликам. |
| 23296CAKE4 | CA = Цельный обработанный латунный сепаратор, двойной зуб, удерживающие фланцы на внутреннем кольце и направляющем кольце, центрированные на внутреннем кольце. |
| 23296 KCW33 | W3 = Смазочный паз и три отверстия в наружном кольце подшипника. |
| 23296 CA/W33 | CA = цельный обработанный латунный сепаратор, двойной зуб, удерживающие фланцы на внутреннем кольце и направляющем кольце, центрированные на внутреннем кольце. W33 = кольцевой паз и три отверстия для смазки на внешнем кольце. |
| 23296-MB-W33 | MB = Обработанный латунный сепаратор с внутренним кольцом. KR = коническое отверстие. W33 = Смазочный паз и три отверстия в наружном кольце подшипника. |
| 23296-E1A-MB1 | MB = Обработанный латунный сепаратор с внутренним кольцом. |
| 23296 CAK/W33 | CA = цельный латунный сепаратор с механической обработкой, двойной зуб, удерживающие фланцы на внутреннем кольце и направляющее кольцо, центрированное на внутреннем кольце. K = коническое отверстие, конус 1:12. W33 = Смазочный паз и три отверстия в наружном кольце подшипника. |
| 23296-K-MB-W33 | MB = Обработанный латунный сепаратор с внутренним кольцом. KR = коническое отверстие. W33 = Смазочный паз и три отверстия в наружном кольце подшипника. |
| 23296-K-MB+H3296 | K = коническое отверстие, конус 1:12. М = Механически обработанный латунный сепаратор, центрируемый по роликам. |
| 23296 KCW33+H3296 | W3 = Смазочный паз и три отверстия в наружном кольце подшипника. |
| 23296 KCW33+AH3296 | W3 = Смазочный паз и три отверстия в наружном кольце подшипника. |
| 23296 EKW33+OH3296 | K = коническое отверстие, конус 1:12. W33 = Смазочный паз и три отверстия в наружном кольце подшипника. |
| 23296-K-MB+AHX3296G | K = коническое отверстие, конус 1:12. М = Механически обработанный латунный сепаратор, центрируемый по роликам. |
| 23296 EKW33+AOHX3296 | K = коническое отверстие, конус 1:12. W33 = Смазочный паз и три отверстия в наружном кольце подшипника. |
| 23296-K-MB-W33+AHX3296 | MB = Обработанный латунный сепаратор с внутренним кольцом. KR = коническое отверстие. W33 = Смазочный паз и три отверстия в наружном кольце подшипника. |
| 23296-K-MB-W33+OH3296-H | MB = Обработанный латунный сепаратор с внутренним кольцом. KR = коническое отверстие. W33 = Смазочный паз и три отверстия в наружном кольце подшипника. |
| 23296-K-MB + AHX3296G-H | K = коническое отверстие, конус 1:12. М = Механически обработанный латунный сепаратор, центрируемый по роликам. |
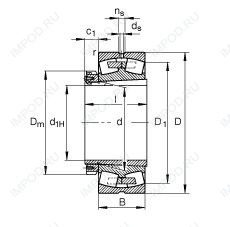
Габаритные размеры
Размеры и геометрические характеристики
Нагрузка и ресурс
Коэффициенты для расчета
Присоединительные размеры
Конструкция и исполнение
Прочие характеристики