Главная > Подшипники> Роликовые > Радиальные сферические>23292-K-MB + AHX3292G-H

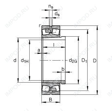
23292-K-MB + AHX3292G-H — Подшипник роликовый самоустанавливающийся, импортное производство по ISO стандарту, размер 440x830x296 номер основного исполнения 23292.
Производитель: FAG.
K = коническое отверстие, конус 1:12. М = Механически обработанный латунный сепаратор, центрируемый по роликам.
Цена по запросу
Цена на подшипник зависит от:
| Обозначение | Модификация |
|---|---|
| 23292 | Основное конструктивное исполнение. |
| 23292R | R = Наружное кольцо с фланцем . |
| 23292E | Е = Увеличенная грузоподъемность. |
| 23292B | B = однокомпонентное ребристое внутреннее кольцо. |
| 23292RK | К = Коническая посадка, конусность 1:12. |
| 23292EK | К = Коническая посадка, конусность 1:12. |
| 23292 K | К = Коническая посадка, конусность 1:12. |
| 23292BK | BK = K = коническое отверстие, конус 1:12. D1 = Смазочное отверстие и три отверстия в наружном кольце подшипника. |
| 23292RHA | R = Наружное кольцо с фланцем . |
| 23292-MB | MB = Обработанный латунный сепаратор с внутренним кольцом. |
| 23292W33 | W3 = Смазочный паз и три отверстия в наружном кольце подшипника. |
| 23292YMB | MB = Обработанный латунный сепаратор с внутренним кольцом. |
| 23292CAE4 | CA = цельный латунный сепаратор с механической обработкой, двойной зуб, удерживающие фланцы на внутреннем кольце и направляющем кольце, центрированные на внутреннем кольце. Е = увеличенная грузоподъемность. |
| 23292RHAK | К = Коническая посадка, конусность 1:12. |
| 23292CAKE4 | CA = Цельный обработанный латунный сепаратор, двойной зуб, удерживающие фланцы на внутреннем кольце и направляющем кольце, центрированные на внутреннем кольце. |
| 23292 CW33 | W3 = Смазочный паз и три отверстия в наружном кольце подшипника. |
| 23292-K-MB | K = коническое отверстие, конус 1:12. М = Механически обработанный латунный сепаратор, центрируемый по роликам. |
| 23292 KW33 | K = коническое отверстие, конус 1:12. W33 = Смазочный паз и три отверстия в наружном кольце подшипника. |
| 23292CA/W33 | CA = цельный обработанный латунный сепаратор, двойной зуб, удерживающие фланцы на внутреннем кольце и направляющем кольце, центрированные на внутреннем кольце. W33 = кольцевой паз и три отверстия для смазки на внешнем кольце. |
| 23292 KCW33 | W3 = Смазочный паз и три отверстия в наружном кольце подшипника. |
| 23292-MB-W33 | MB = Обработанный латунный сепаратор с внутренним кольцом. KR = коническое отверстие. W33 = Смазочный паз и три отверстия в наружном кольце подшипника. |
| 23292-E1A-MB1 | MB = Обработанный латунный сепаратор с внутренним кольцом. |
| 23292 CAK/W33 | CA = цельный латунный сепаратор с механической обработкой, двойной зуб, удерживающие фланцы на внутреннем кольце и направляющее кольцо, центрированное на внутреннем кольце. K = коническое отверстие, конус 1:12. W33 = Смазочный паз и три отверстия в наружном кольце подшипника. |
| 23292-K-MB-W33 | MB = Обработанный латунный сепаратор с внутренним кольцом. KR = коническое отверстие. W33 = Смазочный паз и три отверстия в наружном кольце подшипника. |
| 23292-K-MB+H3292 | K = коническое отверстие, конус 1:12. М = Механически обработанный латунный сепаратор, центрируемый по роликам. |
| 23292 KCW33+H3292 | W3 = Смазочный паз и три отверстия в наружном кольце подшипника. |
| 23292 KCW33+AH3292 | W3 = Смазочный паз и три отверстия в наружном кольце подшипника. |
| 23292 EKW33+2OH3292 | K = коническое отверстие, конус 1:12. W33 = Смазочный паз и три отверстия в наружном кольце подшипника. |
| 23292-K-MB+AHX3292G | K = коническое отверстие, конус 1:12. М = Механически обработанный латунный сепаратор, центрируемый по роликам. |
| 23292 EKW33+AOHX3292 | K = коническое отверстие, конус 1:12. W33 = Смазочный паз и три отверстия в наружном кольце подшипника. |
| 23292-K-MB + H3292-HG | K = коническое отверстие, конус 1:12. М = Механически обработанный латунный сепаратор, центрируемый по роликам. |
| 23292-K-MB-W33+AHX3292 | MB = Обработанный латунный сепаратор с внутренним кольцом. KR = коническое отверстие. W33 = Смазочный паз и три отверстия в наружном кольце подшипника. |
| 23292-K-MB-W33+OH3292-H | MB = Обработанный латунный сепаратор с внутренним кольцом. KR = коническое отверстие. W33 = Смазочный паз и три отверстия в наружном кольце подшипника. |
Габаритные размеры
Размеры и геометрические характеристики
Нагрузка и ресурс
Коэффициенты для расчета
Присоединительные размеры
Конструкция и исполнение
Прочие характеристики