Главная > Подшипники> Роликовые > Радиальные сферические>23288-B-K-MB + AHX3288G-H

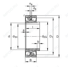
23288-B-K-MB + AHX3288G-H — Подшипник роликовый самоустанавливающийся, импортное производство по ISO стандарту, размер 420x790x280 номер основного исполнения 23288.
Производитель: FAG.
BK = K = коническое отверстие, конус 1:12. D1 = Смазочное отверстие и три отверстия в наружном кольце подшипника.
Цена по запросу
Цена на подшипник зависит от:
| Обозначение | Модификация |
|---|---|
| 23288 | Основное конструктивное исполнение. |
| 23288B | B = однокомпонентное ребристое внутреннее кольцо. |
| 23288E | Е = Увеличенная грузоподъемность. |
| 23288R | R = Наружное кольцо с фланцем . |
| 23288RK | К = Коническая посадка, конусность 1:12. |
| 23288BK | BK = K = коническое отверстие, конус 1:12. D1 = Смазочное отверстие и три отверстия в наружном кольце подшипника. |
| 23288EK | К = Коническая посадка, конусность 1:12. |
| 23288 K | К = Коническая посадка, конусность 1:12. |
| 23288YMB | 8Y = Упорный шарикоподшипник двойного направления. |
| 23288W33 | W3 = Смазочный паз и три отверстия в наружном кольце подшипника. |
| 23288RHA | R = Наружное кольцо с фланцем . |
| 23288RHAK | К = Коническая посадка, конусность 1:12. |
| 23288CAE4 | CA = цельный латунный сепаратор с механической обработкой, двойной зуб, удерживающие фланцы на внутреннем кольце и направляющем кольце, центрированные на внутреннем кольце. Е = увеличенная грузоподъемность. |
| 23288-B-MB | B = 40 градусов угол контакта. M = обработанный латунный сепаратор, расположенныйна элементах качения. |
| 23288CAKE4 | CA = Цельный обработанный латунный сепаратор, двойной зуб, удерживающие фланцы на внутреннем кольце и направляющем кольце, центрированные на внутреннем кольце. |
| 23288 KW33 | K = коническое отверстие, конус 1:12. W33 = Смазочный паз и три отверстия в наружном кольце подшипника. |
| 23288 CW33 | W3 = Смазочный паз и три отверстия в наружном кольце подшипника. |
| 23288 KCW33 | W3 = Смазочный паз и три отверстия в наружном кольце подшипника. |
| 23288-MB-W33 | MB = Обработанный латунный сепаратор с внутренним кольцом. KR = коническое отверстие. W33 = Смазочный паз и три отверстия в наружном кольце подшипника. |
| 23288-B-K-MB | BK = K = коническое отверстие, конус 1:12. D1 = Смазочное отверстие и три отверстия в наружном кольце подшипника. |
| 23288 CA/W33 | CA = цельный обработанный латунный сепаратор, двойной зуб, удерживающие фланцы на внутреннем кольце и направляющем кольце, центрированные на внутреннем кольце. W33 = кольцевой паз и три отверстия для смазки на внешнем кольце. |
| 23288-E1A-MB1 | MB = Обработанный латунный сепаратор с внутренним кольцом. |
| 23288 CAK/W33 | CA = цельный латунный сепаратор с механической обработкой, двойной зуб, удерживающие фланцы на внутреннем кольце и направляющее кольцо, центрированное на внутреннем кольце. K = коническое отверстие, конус 1:12. W33 = Смазочный паз и три отверстия в наружном кольце подшипника. |
| 23288-K-MB-W33 | MB = Обработанный латунный сепаратор с внутренним кольцом. KR = коническое отверстие. W33 = Смазочный паз и три отверстия в наружном кольце подшипника. |
| 23288 KCW33+H3288 | W3 = Смазочный паз и три отверстия в наружном кольце подшипника. |
| 23288-B-K-MB+H3288 | BK = K = коническое отверстие, конус 1:12. D1 = Смазочное отверстие и три отверстия в наружном кольце подшипника. |
| 23288 EKW33+OH3288 | K = коническое отверстие, конус 1:12. W33 = Смазочный паз и три отверстия в наружном кольце подшипника. |
| 23288 KCW33+AH3288 | W3 = Смазочный паз и три отверстия в наружном кольце подшипника. |
| 23288 EKW33+AOHX3288 | K = коническое отверстие, конус 1:12. W33 = Смазочный паз и три отверстия в наружном кольце подшипника. |
| 23288-B-K-MB+AHX3288G | BK = K = коническое отверстие, конус 1:12. D1 = Смазочное отверстие и три отверстия в наружном кольце подшипника. |
| 23288-K-MB-W33+AHX3288 | MB = Обработанный латунный сепаратор с внутренним кольцом. KR = коническое отверстие. W33 = Смазочный паз и три отверстия в наружном кольце подшипника. |
| 23288-K-MB-W33+OH3288-H | MB = Обработанный латунный сепаратор с внутренним кольцом. KR = коническое отверстие. W33 = Смазочный паз и три отверстия в наружном кольце подшипника. |
| 23288-B-K-MB + H3288-HG | BK = K = коническое отверстие, конус 1:12. D1 = Смазочное отверстие и три отверстия в наружном кольце подшипника. |
Габаритные размеры
Размеры и геометрические характеристики
Нагрузка и ресурс
Коэффициенты для расчета
Присоединительные размеры
Конструкция и исполнение
Прочие характеристики