Главная > Подшипники> Роликовые > Радиальные сферические>23284-B-K-MB + AH3284G-H

23284-B-K-MB + AH3284G-H — Подшипник роликовый самоустанавливающийся, импортное производство по ISO стандарту, размер 400x760x272 номер основного исполнения 23284.
Производитель: FAG.
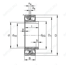
BK = K = коническое отверстие, конус 1:12. D1 = Смазочное отверстие и три отверстия в наружном кольце подшипника.
Цена по запросу
Цена на подшипник зависит от:
| Обозначение | Модификация |
|---|---|
| 23284 | Основное конструктивное исполнение. |
| 23284E | Е = Увеличенная грузоподъемность. |
| 23284B | B = однокомпонентное ребристое внутреннее кольцо. |
| 23284R | R = Наружное кольцо с фланцем . |
| 23284RK | К = Коническая посадка, конусность 1:12. |
| 23284BK | BK = K = коническое отверстие, конус 1:12. D1 = Смазочное отверстие и три отверстия в наружном кольце подшипника. |
| 23284EK | К = Коническая посадка, конусность 1:12. |
| 23284 K | К = Коническая посадка, конусность 1:12. |
| 23284RHA | R = Наружное кольцо с фланцем . |
| 23284W33 | W3 = Смазочный паз и три отверстия в наружном кольце подшипника. |
| 23284YMB | MB = Обработанный латунный сепаратор с внутренним кольцом. |
| 23284RHAK | К = Коническая посадка, конусность 1:12. |
| 23284CAE4 | CA = цельный латунный сепаратор с механической обработкой, двойной зуб, удерживающие фланцы на внутреннем кольце и направляющем кольце, центрированные на внутреннем кольце. Е = увеличенная грузоподъемность. |
| 23284-B-MB | B = 40 градусов угол контакта. M = обработанный латунный сепаратор, расположенныйна элементах качения. |
| 23284CAKE4 | CA = Цельный обработанный латунный сепаратор, двойной зуб, удерживающие фланцы на внутреннем кольце и направляющем кольце, центрированные на внутреннем кольце. |
| 23284 KW33 | K = коническое отверстие, конус 1:12. W33 = Смазочный паз и три отверстия в наружном кольце подшипника. |
| 23284 CW33 | W3 = Смазочный паз и три отверстия в наружном кольце подшипника. |
| 23284CA/W33 | CA = цельный обработанный латунный сепаратор, двойной зуб, удерживающие фланцы на внутреннем кольце и направляющем кольце, центрированные на внутреннем кольце. W33 = кольцевой паз и три отверстия для смазки на внешнем кольце. |
| 23284 KCW33 | W3 = Смазочный паз и три отверстия в наружном кольце подшипника. |
| 23284-MB-W33 | MB = Обработанный латунный сепаратор с внутренним кольцом. KR = коническое отверстие. W33 = Смазочный паз и три отверстия в наружном кольце подшипника. |
| 23284-B-K-MB | BK = K = коническое отверстие, конус 1:12. D1 = Смазочное отверстие и три отверстия в наружном кольце подшипника. |
| 23284 CAK/W33 | CA = цельный латунный сепаратор с механической обработкой, двойной зуб, удерживающие фланцы на внутреннем кольце и направляющее кольцо, центрированное на внутреннем кольце. K = коническое отверстие, конус 1:12. W33 = Смазочный паз и три отверстия в наружном кольце подшипника. |
| 23284-E1A-MB1 | MB = Обработанный латунный сепаратор с внутренним кольцом. |
| 23284-K-MB-W33 | MB = Обработанный латунный сепаратор с внутренним кольцом. KR = коническое отверстие. W33 = Смазочный паз и три отверстия в наружном кольце подшипника. |
| 23284 KCW33+H3284 | W3 = Смазочный паз и три отверстия в наружном кольце подшипника. |
| 23284-B-K-MB+H3284 | BK = K = коническое отверстие, конус 1:12. D1 = Смазочное отверстие и три отверстия в наружном кольце подшипника. |
| 23284 EKW33+OH3284 | K = коническое отверстие, конус 1:12. W33 = Смазочный паз и три отверстия в наружном кольце подшипника. |
| 23284 KCW33+AH3284 | W3 = Смазочный паз и три отверстия в наружном кольце подшипника. |
| 23284 EKW33+AOH3284 | K = коническое отверстие, конус 1:12. W33 = Смазочный паз и три отверстия в наружном кольце подшипника. |
| 23284-B-K-MB+AH3284G | BK = K = коническое отверстие, конус 1:12. D1 = Смазочное отверстие и три отверстия в наружном кольце подшипника. |
| 23284-K-MB-W33+AH3284 | MB = Обработанный латунный сепаратор с внутренним кольцом. KR = коническое отверстие. W33 = Смазочный паз и три отверстия в наружном кольце подшипника. |
| 23284-B-K-MB + H3284-HG | BK = K = коническое отверстие, конус 1:12. D1 = Смазочное отверстие и три отверстия в наружном кольце подшипника. |
| 23284-K-MB-W33+OH3284-H | MB = Обработанный латунный сепаратор с внутренним кольцом. KR = коническое отверстие. W33 = Смазочный паз и три отверстия в наружном кольце подшипника. |
| 23284 CAK/W33 + OH 3284 H | CA = цельный латунный сепаратор с механической обработкой, двойной зуб, удерживающие фланцы на внутреннем кольце и направляющее кольцо, центрированное на внутреннем кольце. K = коническое отверстие, конус 1:12. W33 = Смазочный паз и три отверстия в наружном кольце подшипника. |
| 23284 CAK/W33 + AOH 3284 G | CA = цельный латунный сепаратор с механической обработкой, двойной зуб, удерживающие фланцы на внутреннем кольце и направляющее кольцо, центрированное на внутреннем кольце. K = коническое отверстие, конус 1:12. W33 = Смазочный паз и три отверстия в наружном кольце подшипника. |
Габаритные размеры
Размеры и геометрические характеристики
Нагрузка и ресурс
Коэффициенты для расчета
Присоединительные размеры
Конструкция и исполнение
Прочие характеристики