Главная > Подшипники> Роликовые > Радиальные сферические>23280-B-K-MB + AH3280G-H

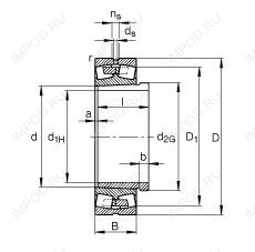
23280-B-K-MB + AH3280G-H — Подшипник роликовый самоустанавливающийся, импортное производство по ISO стандарту, размер 380x720x256 номер основного исполнения 23280.
Производитель: FAG.
80G = G = Втулки подшипника с возможностью смазки.
Цена по запросу
Цена на подшипник зависит от:
| Обозначение | Модификация |
|---|---|
| 23280 | Основное конструктивное исполнение. |
| 23280R | R = Наружное кольцо с фланцем . |
| 23280B | B = однокомпонентное ребристое внутреннее кольцо. |
| 23280E | Е = Увеличенная грузоподъемность. |
| 23280RK | К = Коническая посадка, конусность 1:12. |
| 23280 K | К = Коническая посадка, конусность 1:12. |
| 23280BK | BK = K = коническое отверстие, конус 1:12. D1 = Смазочное отверстие и три отверстия в наружном кольце подшипника. |
| 23280EK | К = Коническая посадка, конусность 1:12. |
| 23280RHA | R = Наружное кольцо с фланцем . |
| 23280W33 | W3 = Смазочный паз и три отверстия в наружном кольце подшипника. |
| 23280RHAK | К = Коническая посадка, конусность 1:12. |
| 23280CAE4 | CA = цельный латунный сепаратор с механической обработкой, двойной зуб, удерживающие фланцы на внутреннем кольце и направляющем кольце, центрированные на внутреннем кольце. Е = увеличенная грузоподъемность. |
| 23280-B-MB | B = 40 градусов угол контакта. M = обработанный латунный сепаратор, расположенныйна элементах качения. |
| 23280 KW33 | K = коническое отверстие, конус 1:12. W33 = Смазочный паз и три отверстия в наружном кольце подшипника. |
| 23280 CW33 | W3 = Смазочный паз и три отверстия в наружном кольце подшипника. |
| 23280CAKE4 | CA = Цельный обработанный латунный сепаратор, двойной зуб, удерживающие фланцы на внутреннем кольце и направляющем кольце, центрированные на внутреннем кольце. |
| 23280 KCW33 | W3 = Смазочный паз и три отверстия в наружном кольце подшипника. |
| 23280CA/W33 | CA = цельный обработанный латунный сепаратор, двойной зуб, удерживающие фланцы на внутреннем кольце и направляющем кольце, центрированные на внутреннем кольце. W33 = кольцевой паз и три отверстия для смазки на внешнем кольце. |
| 23280-MB-W33 | MB = Обработанный латунный сепаратор с внутренним кольцом. KR = коническое отверстие. W33 = Смазочный паз и три отверстия в наружном кольце подшипника. |
| 23280-B-K-MB | BK = K = коническое отверстие, конус 1:12. D1 = Смазочное отверстие и три отверстия в наружном кольце подшипника. |
| 23280-E1A-MB1 | MB = Обработанный латунный сепаратор с внутренним кольцом. |
| 23280 CAK/W33 | CA = цельный латунный сепаратор с механической обработкой, двойной зуб, удерживающие фланцы на внутреннем кольце и направляющее кольцо, центрированное на внутреннем кольце. K = коническое отверстие, конус 1:12. W33 = Смазочный паз и три отверстия в наружном кольце подшипника. |
| 23280-K-MB-W33 | MB = Обработанный латунный сепаратор с внутренним кольцом. KR = коническое отверстие. W33 = Смазочный паз и три отверстия в наружном кольце подшипника. |
| 23280 KCW33+H3280 | W3 = Смазочный паз и три отверстия в наружном кольце подшипника. |
| 23280 KCW33+AH3280 | W3 = Смазочный паз и три отверстия в наружном кольце подшипника. |
| 23280-B-K-MB+H3280 | BK = K = коническое отверстие, конус 1:12. D1 = Смазочное отверстие и три отверстия в наружном кольце подшипника. |
| 23280 EKW33+OH3280 | K = коническое отверстие, конус 1:12. W33 = Смазочный паз и три отверстия в наружном кольце подшипника. |
| 23280 EKW33+AOH3280 | K = коническое отверстие, конус 1:12. W33 = Смазочный паз и три отверстия в наружном кольце подшипника. |
| 23280-B-K-MB+AH3280G | 80G = G = Втулки подшипника с возможностью смазки. |
| 23280-K-MB-W33+AH3280 | MB = Обработанный латунный сепаратор с внутренним кольцом. KR = коническое отверстие. W33 = Смазочный паз и три отверстия в наружном кольце подшипника. |
| 23280-K-MB-W33+OH3280-H | MB = Обработанный латунный сепаратор с внутренним кольцом. KR = коническое отверстие. W33 = Смазочный паз и три отверстия в наружном кольце подшипника. |
| 23280-B-K-MB + H3280-HG | BK = K = коническое отверстие, конус 1:12. D1 = Смазочное отверстие и три отверстия в наружном кольце подшипника. |
Габаритные размеры
Размеры и геометрические характеристики
Нагрузка и ресурс
Коэффициенты для расчета
Присоединительные размеры
Конструкция и исполнение
Прочие характеристики