Главная > Подшипники> Роликовые > Радиальные сферические>23276-B-K-MB + AH3276G-H

23276-B-K-MB + AH3276G-H — Подшипник роликовый самоустанавливающийся, импортное производство по ISO стандарту, размер 360x680x240 номер основного исполнения 23276.
Производитель: FAG.
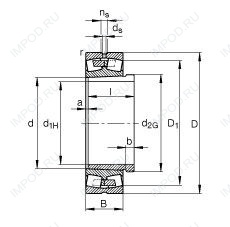
BK = K = коническое отверстие, конус 1:12. D1 = Смазочное отверстие и три отверстия в наружном кольце подшипника.
Цена от:414 329 р.
Цена на подшипник зависит от:
| Обозначение | Модификация |
|---|---|
| 23276 | Основное конструктивное исполнение. |
| 23276R | R = Наружное кольцо с фланцем . |
| 23276B | B = однокомпонентное ребристое внутреннее кольцо. |
| 23276E | Е = Увеличенная грузоподъемность. |
| 23276RK | К = Коническая посадка, конусность 1:12. |
| 23276BK | BK = K = коническое отверстие, конус 1:12. D1 = Смазочное отверстие и три отверстия в наружном кольце подшипника. |
| 23276 K | К = Коническая посадка, конусность 1:12. |
| 23276EK | К = Коническая посадка, конусность 1:12. |
| 23276W33 | W3 = Смазочный паз и три отверстия в наружном кольце подшипника. |
| 23276RHA | R = Наружное кольцо с фланцем . |
| 23276YMB | MB = Обработанный латунный сепаратор с внутренним кольцом. |
| 23276CAE4 | CA = цельный латунный сепаратор с механической обработкой, двойной зуб, удерживающие фланцы на внутреннем кольце и направляющем кольце, центрированные на внутреннем кольце. Е = увеличенная грузоподъемность. |
| 23276RHAK | К = Коническая посадка, конусность 1:12. |
| 23276-B-MB | B = 40 градусов угол контакта. M = обработанный латунный сепаратор, расположенныйна элементах качения. |
| 23276CAKE4 | CA = Цельный обработанный латунный сепаратор, двойной зуб, удерживающие фланцы на внутреннем кольце и направляющем кольце, центрированные на внутреннем кольце. |
| 23276 KW33 | K = коническое отверстие, конус 1:12. W33 = Смазочный паз и три отверстия в наружном кольце подшипника. |
| 23276 CW33 | W3 = Смазочный паз и три отверстия в наружном кольце подшипника. |
| 23276 KCW33 | W3 = Смазочный паз и три отверстия в наружном кольце подшипника. |
| 23276-B-K-MB | BK = K = коническое отверстие, конус 1:12. D1 = Смазочное отверстие и три отверстия в наружном кольце подшипника. |
| 23276-MB-W33 | MB = Обработанный латунный сепаратор с внутренним кольцом. KR = коническое отверстие. W33 = Смазочный паз и три отверстия в наружном кольце подшипника. |
| 23276 CA/W33 | CA = цельный обработанный латунный сепаратор, двойной зуб, удерживающие фланцы на внутреннем кольце и направляющем кольце, центрированные на внутреннем кольце. W33 = кольцевой паз и три отверстия для смазки на внешнем кольце. |
| 23276-E1A-MB1 | MB = Обработанный латунный сепаратор с внутренним кольцом. |
| 23276 CAK/W33 | CA = цельный латунный сепаратор с механической обработкой, двойной зуб, удерживающие фланцы на внутреннем кольце и направляющее кольцо, центрированное на внутреннем кольце. K = коническое отверстие, конус 1:12. W33 = Смазочный паз и три отверстия в наружном кольце подшипника. |
| 23276-K-MB-W33 | MB = Обработанный латунный сепаратор с внутренним кольцом. KR = коническое отверстие. W33 = Смазочный паз и три отверстия в наружном кольце подшипника. |
| 23276 KCW33+H3276 | W3 = Смазочный паз и три отверстия в наружном кольце подшипника. |
| 23276 KCW33+AH3276 | W3 = Смазочный паз и три отверстия в наружном кольце подшипника. |
| 23276 EKW33+OH3276 | K = коническое отверстие, конус 1:12. W33 = Смазочный паз и три отверстия в наружном кольце подшипника. |
| 23276-B-K-MB+H3276 | BK = K = коническое отверстие, конус 1:12. D1 = Смазочное отверстие и три отверстия в наружном кольце подшипника. |
| 23276 EKW33+AOH3276 | K = коническое отверстие, конус 1:12. W33 = Смазочный паз и три отверстия в наружном кольце подшипника. |
| 23276-B-K-MB+AH3276G | BK = K = коническое отверстие, конус 1:12. D1 = Смазочное отверстие и три отверстия в наружном кольце подшипника. |
| 23276-K-MB-W33+AH3276 | MB = Обработанный латунный сепаратор с внутренним кольцом. KR = коническое отверстие. W33 = Смазочный паз и три отверстия в наружном кольце подшипника. |
| 23276-B-K-MB + H3276-HG | BK = K = коническое отверстие, конус 1:12. D1 = Смазочное отверстие и три отверстия в наружном кольце подшипника. |
| 23276-K-MB-W33+OH3276-H | MB = Обработанный латунный сепаратор с внутренним кольцом. KR = коническое отверстие. W33 = Смазочный паз и три отверстия в наружном кольце подшипника. |
| 23276 CAK/W33 + AOH 3276 G | CA = цельный латунный сепаратор с механической обработкой, двойной зуб, удерживающие фланцы на внутреннем кольце и направляющее кольцо, центрированное на внутреннем кольце. K = коническое отверстие, конус 1:12. W33 = Смазочный паз и три отверстия в наружном кольце подшипника. |
Габаритные размеры
Размеры и геометрические характеристики
Нагрузка и ресурс
Коэффициенты для расчета
Присоединительные размеры
Конструкция и исполнение
Прочие характеристики
Подшипник роликовый радиальный самоцентрирующийся 3013272 (EPK)
Подшипник роликовый сферический 30-3013272 (ГПЗ-1)