Главная > Подшипники> Роликовые > Радиальные сферические>23192-K-MB + AHX3192G-H

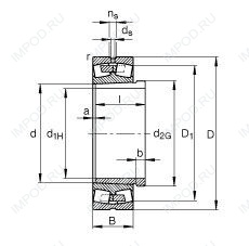
23192-K-MB + AHX3192G-H — Подшипник роликовый самоустанавливающийся, импортное производство по ISO стандарту, размер 440x760x240 номер основного исполнения 23192.
Производитель: FAG.
K = коническое отверстие, конус 1:12. М = Механически обработанный латунный сепаратор, центрируемый по роликам.
Цена от:883 633 р.
Цена на подшипник зависит от:
| Обозначение | Модификация |
|---|---|
| 23192 | Основное конструктивное исполнение. |
| 23192R | R = Наружное кольцо с фланцем . |
| 23192E | Е = Увеличенная грузоподъемность. |
| 23192B | B = однокомпонентное ребристое внутреннее кольцо. |
| 23192RK | К = Коническая посадка, конусность 1:12. |
| 23192 K | К = Коническая посадка, конусность 1:12. |
| 23192EK | К = Коническая посадка, конусность 1:12. |
| 23192BK | BK = K = коническое отверстие, конус 1:12. D1 = Смазочное отверстие и три отверстия в наружном кольце подшипника. |
| 23192RHA | R = Наружное кольцо с фланцем . |
| 23192W33 | W3 = Смазочный паз и три отверстия в наружном кольце подшипника. |
| 23192YMB | MB = Обработанный латунный сепаратор с внутренним кольцом. |
| 23192-MB | MB = Обработанный латунный сепаратор с внутренним кольцом. |
| 23192CAE4 | CA = цельный латунный сепаратор с механической обработкой, двойной зуб, удерживающие фланцы на внутреннем кольце и направляющем кольце, центрированные на внутреннем кольце. Е = увеличенная грузоподъемность. |
| 23192RHAK | К = Коническая посадка, конусность 1:12. |
| 23192CAKE4 | CA = Цельный обработанный латунный сепаратор, двойной зуб, удерживающие фланцы на внутреннем кольце и направляющем кольце, центрированные на внутреннем кольце. |
| 23192 CW33 | W3 = Смазочный паз и три отверстия в наружном кольце подшипника. |
| 23192 KW33 | K = коническое отверстие, конус 1:12. W33 = Смазочный паз и три отверстия в наружном кольце подшипника. |
| 23192-K-MB | K = коническое отверстие, конус 1:12. М = Механически обработанный латунный сепаратор, центрируемый по роликам. |
| 23192 KCW33 | W3 = Смазочный паз и три отверстия в наружном кольце подшипника. |
| 23192-MB-W33 | MB = Обработанный латунный сепаратор с внутренним кольцом. KR = коническое отверстие. W33 = Смазочный паз и три отверстия в наружном кольце подшипника. |
| 23192 CA/W33 | CA = цельный обработанный латунный сепаратор, двойной зуб, удерживающие фланцы на внутреннем кольце и направляющем кольце, центрированные на внутреннем кольце. W33 = кольцевой паз и три отверстия для смазки на внешнем кольце. |
| 23192 CAK/W33 | CA = цельный латунный сепаратор с механической обработкой, двойной зуб, удерживающие фланцы на внутреннем кольце и направляющее кольцо, центрированное на внутреннем кольце. K = коническое отверстие, конус 1:12. W33 = Смазочный паз и три отверстия в наружном кольце подшипника. |
| 23192-E1A-MB1 | MB = Обработанный латунный сепаратор с внутренним кольцом. |
| 23192-K-MB-W33 | MB = Обработанный латунный сепаратор с внутренним кольцом. KR = коническое отверстие. W33 = Смазочный паз и три отверстия в наружном кольце подшипника. |
| 23192-K-MB+H3192 | K = коническое отверстие, конус 1:12. М = Механически обработанный латунный сепаратор, центрируемый по роликам. |
| 23192 KCW33+H3192 | W3 = Смазочный паз и три отверстия в наружном кольце подшипника. |
| 23192 KCW33+AH3192 | W3 = Смазочный паз и три отверстия в наружном кольце подшипника. |
| 23192 EKW33+OH3192 | K = коническое отверстие, конус 1:12. W33 = Смазочный паз и три отверстия в наружном кольце подшипника. |
| 23192-K-MB+AHX3192G | K = коническое отверстие, конус 1:12. М = Механически обработанный латунный сепаратор, центрируемый по роликам. |
| 23192 EKW33+AOHX3192 | K = коническое отверстие, конус 1:12. W33 = Смазочный паз и три отверстия в наружном кольце подшипника. |
| 23192-K-MB + H3192-HG | K = коническое отверстие, конус 1:12. М = Механически обработанный латунный сепаратор, центрируемый по роликам. |
| 23192-K-MB-W33+AHX3192 | MB = Обработанный латунный сепаратор с внутренним кольцом. KR = коническое отверстие. W33 = Смазочный паз и три отверстия в наружном кольце подшипника. |
| 23192-K-MB-W33+OH3192-H | MB = Обработанный латунный сепаратор с внутренним кольцом. KR = коническое отверстие. W33 = Смазочный паз и три отверстия в наружном кольце подшипника. |
| 23192 CAK/W33 + AOHX 3192 G | CA = цельный латунный сепаратор с механической обработкой, двойной зуб, удерживающие фланцы на внутреннем кольце и направляющее кольцо, центрированное на внутреннем кольце. K = коническое отверстие, конус 1:12. W33 = Смазочный паз и три отверстия в наружном кольце подшипника. |
Габаритные размеры
Размеры и геометрические характеристики
Нагрузка и ресурс
Коэффициенты для расчета
Присоединительные размеры
Конструкция и исполнение
Прочие характеристики