Главная > Подшипники> Роликовые > Радиальные сферические>23130-E1A-K-M + H3130

23130-E1A-K-M + H3130 — Подшипник роликовый самоустанавливающийся, импортное производство по ISO стандарту, размер 135x250x80 номер основного исполнения 23130.
Производитель: FAG.
K = коническое отверстие, конус 1:12. М = Механически обработанный латунный сепаратор, центрируемый по роликам.
Цена от:21 520 р.
Цена на подшипник зависит от:
| Обозначение | Модификация |
|---|---|
| 23130 | Основное конструктивное исполнение. |
| 23130B | B = однокомпонентное ребристое внутреннее кольцо. |
| 23130YM | Y = Штампованный латунный сепаратор, центрируемый по телам качения. |
| 23130MB | MB = Обработанный латунный сепаратор с внутренним кольцом. |
| 23130AX | A = внутренняя модификация конструкции. |
| 23130 K | К = Коническая посадка, конусность 1:12. |
| 23130BK | BK = K = коническое отверстие, конус 1:12. D1 = Смазочное отверстие и три отверстия в наружном кольце подшипника. |
| 23130RH | R = Наружное кольцо с фланцем . |
| 23130W33 | W3 = Смазочный паз и три отверстия в наружном кольце подшипника. |
| 23130AXK | К = Коническая посадка, конусность 1:12. |
| 23130EX1 | X = Внешние размеры, соответствующие международным стандартам. |
| 23130MBK | BK = K = коническое отверстие, конус 1:12. D1 = Смазочное отверстие и три отверстия в наружном кольце подшипника. |
| 23130CE4 | С = Необслуживаемые концы стержней, внутренняя резьба. |
| 23130RHK | К = Коническая посадка, конусность 1:12. |
| 23130EX1K | К = Коническая посадка, конусность 1:12. |
| 23130CKE4 | К = Коническая посадка, конусность 1:12. |
| 23130CW33 | W3 = Смазочный паз и три отверстия в наружном кольце подшипника. |
| 23130EAW33 | W3 = Смазочный паз и три отверстия в наружном кольце подшипника. |
| 23130 KW33 | K = коническое отверстие, конус 1:12. W33 = Смазочный паз и три отверстия в наружном кольце подшипника. |
| 23130EMW33 | E = Увеличенная грузоподъемность. М = Механически обработанный латунный сепаратор, центрируемый по роликам. W33 = Смазочный паз и три отверстия в наружном кольце подшипника. |
| 23130MBW33 | MB = Обработанный латунный сепаратор с внутренним кольцом. KR = коническое отверстие. W33 = Смазочный паз и три отверстия в наружном кольце подшипника. |
| 23130CKW33 | K = коническое отверстие, конус 1:12. W33 = Смазочный паз и три отверстия в наружном кольце подшипника. |
| 23130MBKW33 | K = коническое отверстие, конус 1:12. W33 = Смазочный паз и три отверстия в наружном кольце подшипника. |
| TL23130CAE4 | CA = цельный латунный сепаратор с механической обработкой, двойной зуб, удерживающие фланцы на внутреннем кольце и направляющем кольце, центрированные на внутреннем кольце. Е = увеличенная грузоподъемность. |
| 23130EMKW33 | K = коническое отверстие, конус 1:12. W33 = Смазочный паз и три отверстия в наружном кольце подшипника. |
| 23130EAKW33 | K = коническое отверстие, конус 1:12. W33 = Смазочный паз и три отверстия в наружном кольце подшипника. |
| 23130 KCW33 | W3 = Смазочный паз и три отверстия в наружном кольце подшипника. |
| 23130-E1A-M | E1 = Проектирование повышенной емкости. |
| TL23130CAKE4 | CA = Цельный обработанный латунный сепаратор, двойной зуб, удерживающие фланцы на внутреннем кольце и направляющем кольце, центрированные на внутреннем кольце. |
| 23130 KMBW33 | MB = Обработанный латунный сепаратор с внутренним кольцом. KR = коническое отверстие. W33 = Смазочный паз и три отверстия в наружном кольце подшипника. |
| 23130CCK/W33 | CC = сферический роликоподшипник конструкции C, с улучшенным управлением роликом. K = коническое отверстие, конус 1:12. W33 = Смазочный паз и три отверстия в наружном кольце подшипника. |
| 23130 CC.W33 | Радиальный сферический роликоподшипник исполнения С с улучшенным ведением роликов и, благодаря этому, сниженным потерям на трение. |
| 23130 CAMKE4 | CAM = цельный латунный сепаратор, направляющее кольцо. K = коническое отверстие, конус 1:12. E4 = смазочный паз и три отверстия в наружном кольце подшипника. |
| 23130 E1A.K.M | K = коническое отверстие, конус 1:12. М = Механически обработанный латунный сепаратор, центрируемый по роликам. |
| 23130-E1-TVPB | TVP = сегментный сепаратор, изготовленный из армированного стекловолокном полиамида PA66 направленная по роликам. |
| 23130 CAME4C3 | CAM = цельный латунный сепаратор, направляющее кольцо. E4 = смазочный паз и три отверстия в наружном кольце подшипника. |
| 23130 K.M.W33 | K = коническое отверстие, конус 1:12. М = Механически обработанный латунный сепаратор, центрируемый по роликам. |
| 23130 E1A.M.C3 | M = Цельный латунный сепаратор, с шариковой направляющей. C3 = Радиальный внутренний зазор подшипника больше, чем обычно. |
| 23130 CAMKE4C3 | CAM = цельный латунный сепаратор, направляющее кольцо. K = коническое отверстие, конус 1:12. E4 = смазочный паз и три отверстия в наружном кольце подшипника. |
| 23130-E1-K-TVPB | TVP = сегментный сепаратор, изготовленный из армированного стекловолокном полиамида PA66 направленная по роликам. |
| 23130-2CS5/VT143 | 2CS = увеличенная грузоподьемность и Резиновые уплотнения с каждой стороны подшипника. |
| 23130 E1A.K.M.C3 | M = Цельный латунный сепаратор, с шариковой направляющей. C3 = Радиальный внутренний зазор подшипника больше, чем обычно. |
| 23130 KCW33+H3130 | W3 = Смазочный паз и три отверстия в наружном кольце подшипника. |
| 23130-2CS5K/VT143 | 2CS = увеличенная грузоподьемность и Резиновые уплотнения с каждой стороны подшипника. |
| 23130 EKW33+H3130 | K = коническое отверстие, конус 1:12. W33 = Смазочный паз и три отверстия в наружном кольце подшипника. |
| 23130 KCW33+AH3130 | W3 = Смазочный паз и три отверстия в наружном кольце подшипника. |
| 23130 EKW33+AHX3130 | K = коническое отверстие, конус 1:12. W33 = Смазочный паз и три отверстия в наружном кольце подшипника. |
| 23130-K-MB-W33+H3130 | MB = Обработанный латунный сепаратор с внутренним кольцом. KR = коническое отверстие. W33 = Смазочный паз и три отверстия в наружном кольце подшипника. |
| 23130 CCK/W33 + H 3130 | CC = сферический роликоподшипник конструкции C, с улучшенным управлением роликом. K = коническое отверстие, конус 1:12. W33 = Смазочный паз и три отверстия в наружном кольце подшипника. |
| 23130-K-MB-W33+AHX3130 | MB = Обработанный латунный сепаратор с внутренним кольцом. KR = коническое отверстие. W33 = Смазочный паз и три отверстия в наружном кольце подшипника. |
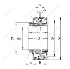
Габаритные размеры
Размеры и геометрические характеристики
Нагрузка и ресурс
Коэффициенты для расчета
Присоединительные размеры
Конструкция и исполнение
Прочие характеристики