Главная > Подшипники> Роликовые > Радиальные сферические>23126-E1A-K-M + H3126

23126-E1A-K-M + H3126 — Подшипник роликовый самоустанавливающийся, импортное производство по ISO стандарту, размер 115x210x64 номер основного исполнения 23126.
Производитель: FAG.
K = коническое отверстие, конус 1:12. М = Механически обработанный латунный сепаратор, центрируемый по роликам.
Цена от:10 098 р.
Цена на подшипник зависит от:
| Обозначение | Модификация |
|---|---|
| 23126 | Основное конструктивное исполнение. |
| 23126B | B = однокомпонентное ребристое внутреннее кольцо. |
| 23126YM | Y = Штампованный латунный сепаратор, центрируемый по телам качения. |
| 23126CJ | С = Необслуживаемые концы стержней, внутренняя резьба. |
| 23126RH | R = Наружное кольцо с фланцем . |
| 23126BK | BK = K = коническое отверстие, конус 1:12. D1 = Смазочное отверстие и три отверстия в наружном кольце подшипника. |
| 23126AX | A = внутренняя модификация конструкции. |
| 23126 K | К = Коническая посадка, конусность 1:12. |
| 23126CE4 | С = Необслуживаемые концы стержней, внутренняя резьба. |
| 23126W33 | W3 = Смазочный паз и три отверстия в наружном кольце подшипника. |
| 23126EX1 | X = Внешние размеры, соответствующие международным стандартам. |
| 23126AXK | К = Коническая посадка, конусность 1:12. |
| 23126RHK | К = Коническая посадка, конусность 1:12. |
| 23126CKE4 | К = Коническая посадка, конусность 1:12. |
| 23126EX1K | К = Коническая посадка, конусность 1:12. |
| 23126 KW33 | K = коническое отверстие, конус 1:12. W33 = Смазочный паз и три отверстия в наружном кольце подшипника. |
| 23126EAW33 | W3 = Смазочный паз и три отверстия в наружном кольце подшипника. |
| 23126EMW33 | E = Увеличенная грузоподъемность. М = Механически обработанный латунный сепаратор, центрируемый по роликам. W33 = Смазочный паз и три отверстия в наружном кольце подшипника. |
| 23126 CW33 | W3 = Смазочный паз и три отверстия в наружном кольце подшипника. |
| 23126 E1A.M | E1 = Проектирование повышенной емкости. |
| 23126EMKW33 | K = коническое отверстие, конус 1:12. W33 = Смазочный паз и три отверстия в наружном кольце подшипника. |
| 23126EAKW33 | K = коническое отверстие, конус 1:12. W33 = Смазочный паз и три отверстия в наружном кольце подшипника. |
| 23126 KCW33 | W3 = Смазочный паз и три отверстия в наружном кольце подшипника. |
| 23126-MB-W33 | MB = Обработанный латунный сепаратор с внутренним кольцом. KR = коническое отверстие. W33 = Смазочный паз и три отверстия в наружном кольце подшипника. |
| 23126 CC/W33 | Радиальный сферический роликоподшипник исполнения С с улучшенным ведением роликов и, благодаря этому, сниженным потерям на трение. |
| 23126-E1-TVPB | TVP = сегментный сепаратор, изготовленный из армированного стекловолокном полиамида PA66 направленная по роликам. |
| 23126 K.M.W33 | K = коническое отверстие, конус 1:12. М = Механически обработанный латунный сепаратор, центрируемый по роликам. |
| 23126 E1A.K.M | K = коническое отверстие, конус 1:12. М = Механически обработанный латунный сепаратор, центрируемый по роликам. |
| 23126 CCK.W33 | CC = сферический роликоподшипник конструкции C, с улучшенным управлением роликом. K = коническое отверстие, конус 1:12. W33 = Смазочный паз и три отверстия в наружном кольце подшипника. |
| 23126 CC.C3W33 | C3W33 = C3 = Радиальный внутренний зазор больше, чем обычно. W33 = Смазочная канавка и три отверстия в наружном кольце подшипника. |
| 23126 K.MC3W33 | C3W33 = C3 = Радиальный внутренний зазор больше, чем обычно. W33 = Смазочная канавка и три отверстия в наружном кольце подшипника. |
| 23126 E1A.M.C3 | M = Цельный латунный сепаратор, с шариковой направляющей. C3 = Радиальный внутренний зазор подшипника больше, чем обычно. |
| 23126-K-MB-W33 | MB = Обработанный латунный сепаратор с внутренним кольцом. KR = коническое отверстие. W33 = Смазочный паз и три отверстия в наружном кольце подшипника. |
| 23126-E1-K-TVPB | TVP = сегментный сепаратор, изготовленный из армированного стекловолокном полиамида PA66 направленная по роликам. |
| 23126 E1A.K.M.C3 | M = Цельный латунный сепаратор, с шариковой направляющей. C3 = Радиальный внутренний зазор подшипника больше, чем обычно. |
| 23126 KCW33+H3126 | W3 = Смазочный паз и три отверстия в наружном кольце подшипника. |
| 23126 EKW33+H3126 | K = коническое отверстие, конус 1:12. W33 = Смазочный паз и три отверстия в наружном кольце подшипника. |
| 23126 KCW33+AH3126 | W3 = Смазочный паз и три отверстия в наружном кольце подшипника. |
| 23126 EKW33+AHX3126 | K = коническое отверстие, конус 1:12. W33 = Смазочный паз и три отверстия в наружном кольце подшипника. |
| 23126-K-MB-W33+H3126 | MB = Обработанный латунный сепаратор с внутренним кольцом. KR = коническое отверстие. W33 = Смазочный паз и три отверстия в наружном кольце подшипника. |
| 23126-K-MB-W33+AHX3126 | MB = Обработанный латунный сепаратор с внутренним кольцом. KR = коническое отверстие. W33 = Смазочный паз и три отверстия в наружном кольце подшипника. |
| 23126-E1-K-TVPB + H3126 | TVP = сегментный сепаратор, изготовленный из армированного стекловолокном полиамида PA66 направленная по роликам. |
| 23126-E1A-K-M + AHX3126 | K = коническое отверстие, конус 1:12. MA = обработанная латунная клетка с наружным кольцом. |
| 23126 CCK/W33 + AHX 3126 | CC = сферический роликоподшипник конструкции C, с улучшенным управлением роликом. K = коническое отверстие, конус 1:12. W33 = Смазочный паз и три отверстия в наружном кольце подшипника. |
| 23126-E1-K-TVPB + AHX3126 | TVP = сегментный сепаратор, изготовленный из армированного стекловолокном полиамида PA66 направленная по роликам. |
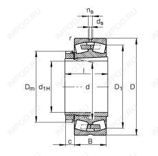
Габаритные размеры
Размеры и геометрические характеристики
Нагрузка и ресурс
Коэффициенты для расчета
Присоединительные размеры
Конструкция и исполнение
Прочие характеристики