Главная > Подшипники> Роликовые > Радиальные сферические>231/600-K-MB + AH31/600A-H

231/600-K-MB + AH31/600A-H — Подшипник роликовый самоустанавливающийся, импортное производство по ISO стандарту, размер 570x980x300 номер основного исполнения .
Производитель: FAG.
K = коническое отверстие, конус 1:12. М = Механически обработанный латунный сепаратор, центрируемый по роликам.
Цена по запросу
Цена на подшипник зависит от:
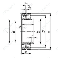
Габаритные размеры
Размеры и геометрические характеристики
Нагрузка и ресурс
Коэффициенты для расчета
Присоединительные размеры
Конструкция и исполнение
Прочие характеристики