Главная > Подшипники> Роликовые > Радиальные сферические>231/560-K-MB + H31/560-HG

231/560-K-MB + H31/560-HG — Подшипник роликовый самоустанавливающийся, импортное производство по ISO стандарту, размер 530x920x280 номер основного исполнения .
Производитель: FAG.
K = коническое отверстие, конус 1:12. М = Механически обработанный латунный сепаратор, центрируемый по роликам.
Цена по запросу
Цена на подшипник зависит от:
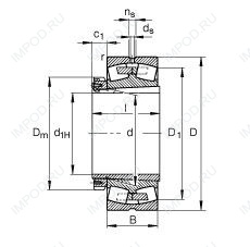
Габаритные размеры
Размеры и геометрические характеристики
Нагрузка и ресурс
Коэффициенты для расчета
Присоединительные размеры
Конструкция и исполнение
Прочие характеристики
Подшипник роликовый радиальный самоцентрирующийся 231/560 EKW33+OH31/560 (ISB)
Подшипник роликовый радиальный самоцентрирующийся 231/560 EKW33+AOH31/560 (ISB)
Подшипник роликовый самоустанавливающийся 231/560-K-MB + AH31/560A-H (FAG)