Главная > Подшипники> Роликовые > Радиальные сферические>231/500-E1A-K-MB1 + AHX31/500-H

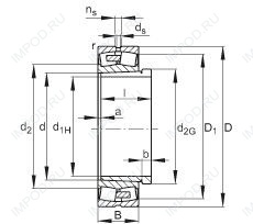
231/500-E1A-K-MB1 + AHX31/500-H — Подшипник роликовый самоустанавливающийся, импортное производство по ISO стандарту, размер 480x830x264 номер основного исполнения .
Производитель: FAG.
K = коническое отверстие, конус 1:12. М = Механически обработанный латунный сепаратор, центрируемый по роликам.
Цена по запросу
Цена на подшипник зависит от:
Габаритные размеры
Размеры и геометрические характеристики
Нагрузка и ресурс
Коэффициенты для расчета
Присоединительные размеры
Конструкция и исполнение
Прочие характеристики