Главная > Подшипники> Роликовые > Радиальные сферические>23096-K-MB + AHX3096G-H

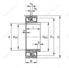
23096-K-MB + AHX3096G-H — Подшипник роликовый самоустанавливающийся, импортное производство по ISO стандарту, размер 460x700x165 номер основного исполнения 23096.
Производитель: FAG.
K = коническое отверстие, конус 1:12. М = Механически обработанный латунный сепаратор, центрируемый по роликам.
Цена от:433 614 р.
Цена на подшипник зависит от:
| Обозначение | Модификация |
|---|---|
| 23096 | Основное конструктивное исполнение. |
| 23096R | R = Наружное кольцо с фланцем . |
| 23096E | Е = Увеличенная грузоподъемность. |
| 23096B | B = однокомпонентное ребристое внутреннее кольцо. |
| 23096RK | К = Коническая посадка, конусность 1:12. |
| 23096EK | К = Коническая посадка, конусность 1:12. |
| 23096 K | К = Коническая посадка, конусность 1:12. |
| 23096BK | BK = K = коническое отверстие, конус 1:12. D1 = Смазочное отверстие и три отверстия в наружном кольце подшипника. |
| 23096-MB | MB = Обработанный латунный сепаратор с внутренним кольцом. |
| 23096YMB | MB = Обработанный латунный сепаратор с внутренним кольцом. |
| 23096W33 | W3 = Смазочный паз и три отверстия в наружном кольце подшипника. |
| 23096RHA | R = Наружное кольцо с фланцем . |
| 23096RHAK | К = Коническая посадка, конусность 1:12. |
| 23096CAE4 | CA = цельный латунный сепаратор с механической обработкой, двойной зуб, удерживающие фланцы на внутреннем кольце и направляющем кольце, центрированные на внутреннем кольце. Е = увеличенная грузоподъемность. |
| 23096 KW33 | K = коническое отверстие, конус 1:12. W33 = Смазочный паз и три отверстия в наружном кольце подшипника. |
| 23096CAKE4 | CA = Цельный обработанный латунный сепаратор, двойной зуб, удерживающие фланцы на внутреннем кольце и направляющем кольце, центрированные на внутреннем кольце. |
| 23096-K-MB | K = коническое отверстие, конус 1:12. М = Механически обработанный латунный сепаратор, центрируемый по роликам. |
| 23096 CW33 | W3 = Смазочный паз и три отверстия в наружном кольце подшипника. |
| 23096 KCW33 | W3 = Смазочный паз и три отверстия в наружном кольце подшипника. |
| 23096CA/W33 | CA = цельный обработанный латунный сепаратор, двойной зуб, удерживающие фланцы на внутреннем кольце и направляющем кольце, центрированные на внутреннем кольце. W33 = кольцевой паз и три отверстия для смазки на внешнем кольце. |
| 23096-MB-W33 | MB = Обработанный латунный сепаратор с внутренним кольцом. KR = коническое отверстие. W33 = Смазочный паз и три отверстия в наружном кольце подшипника. |
| 23096CAK/W33 | CA = цельный латунный сепаратор с механической обработкой, двойной зуб, удерживающие фланцы на внутреннем кольце и направляющее кольцо, центрированное на внутреннем кольце. K = коническое отверстие, конус 1:12. W33 = Смазочный паз и три отверстия в наружном кольце подшипника. |
| 23096-E1A-MB1 | MB = Обработанный латунный сепаратор с внутренним кольцом. |
| 23096-K-MB-W33 | MB = Обработанный латунный сепаратор с внутренним кольцом. KR = коническое отверстие. W33 = Смазочный паз и три отверстия в наружном кольце подшипника. |
| 23096-K-MB+H3096 | K = коническое отверстие, конус 1:12. М = Механически обработанный латунный сепаратор, центрируемый по роликам. |
| 23096 KCW33+H3096 | W3 = Смазочный паз и три отверстия в наружном кольце подшипника. |
| 23096 EKW33+OH3096 | K = коническое отверстие, конус 1:12. W33 = Смазочный паз и три отверстия в наружном кольце подшипника. |
| 23096 KCW33+AH3096 | W3 = Смазочный паз и три отверстия в наружном кольце подшипника. |
| 23096-K-MB+AHX3096G | K = коническое отверстие, конус 1:12. М = Механически обработанный латунный сепаратор, центрируемый по роликам. |
| 23096 EKW33+AOHX3096 | K = коническое отверстие, конус 1:12. W33 = Смазочный паз и три отверстия в наружном кольце подшипника. |
| 23096-K-MB + H3096-HG | K = коническое отверстие, конус 1:12. М = Механически обработанный латунный сепаратор, центрируемый по роликам. |
| 23096-K-MB-W33+AHX3096 | MB = Обработанный латунный сепаратор с внутренним кольцом. KR = коническое отверстие. W33 = Смазочный паз и три отверстия в наружном кольце подшипника. |
| 23096-K-MB-W33+OH3096-H | MB = Обработанный латунный сепаратор с внутренним кольцом. KR = коническое отверстие. W33 = Смазочный паз и три отверстия в наружном кольце подшипника. |
Габаритные размеры
Размеры и геометрические характеристики
Нагрузка и ресурс
Коэффициенты для расчета
Присоединительные размеры
Конструкция и исполнение
Прочие характеристики