Главная > Подшипники> Роликовые > Радиальные сферические>23092-B-K-MB + H3092-HG

23092-B-K-MB + H3092-HG — Подшипник роликовый самоустанавливающийся, импортное производство по ISO стандарту, размер 430x680x163 номер основного исполнения 23092.
Производитель: FAG.
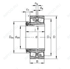
BK = K = коническое отверстие, конус 1:12. D1 = Смазочное отверстие и три отверстия в наружном кольце подшипника.
Цена от:2 689 р.
Цена на подшипник зависит от:
| Обозначение | Модификация |
|---|---|
| 23092 | Основное конструктивное исполнение. |
| 23092R | R = Наружное кольцо с фланцем . |
| 23092E | Е = Увеличенная грузоподъемность. |
| 23092B | B = однокомпонентное ребристое внутреннее кольцо. |
| 23092EK | К = Коническая посадка, конусность 1:12. |
| 23092 K | К = Коническая посадка, конусность 1:12. |
| 23092BK | BK = K = коническое отверстие, конус 1:12. D1 = Смазочное отверстие и три отверстия в наружном кольце подшипника. |
| 23092RK | К = Коническая посадка, конусность 1:12. |
| 23092RHA | R = Наружное кольцо с фланцем . |
| 23092W33 | W3 = Смазочный паз и три отверстия в наружном кольце подшипника. |
| 23092YMB | MB = Обработанный латунный сепаратор с внутренним кольцом. |
| 23092RHAK | К = Коническая посадка, конусность 1:12. |
| 23092CAE4 | CA = цельный латунный сепаратор с механической обработкой, двойной зуб, удерживающие фланцы на внутреннем кольце и направляющем кольце, центрированные на внутреннем кольце. Е = увеличенная грузоподъемность. |
| 23092CAKE4 | CA = Цельный обработанный латунный сепаратор, двойной зуб, удерживающие фланцы на внутреннем кольце и направляющем кольце, центрированные на внутреннем кольце. |
| 23092 CW33 | W3 = Смазочный паз и три отверстия в наружном кольце подшипника. |
| 23092-B-MB | B = 40 градусов угол контакта. M = обработанный латунный сепаратор, расположенныйна элементах качения. |
| 23092 KW33 | K = коническое отверстие, конус 1:12. W33 = Смазочный паз и три отверстия в наружном кольце подшипника. |
| 23092 KCW33 | W3 = Смазочный паз и три отверстия в наружном кольце подшипника. |
| 23092-MB-W33 | MB = Обработанный латунный сепаратор с внутренним кольцом. KR = коническое отверстие. W33 = Смазочный паз и три отверстия в наружном кольце подшипника. |
| 23092CAK/W33 | CA = цельный латунный сепаратор с механической обработкой, двойной зуб, удерживающие фланцы на внутреннем кольце и направляющее кольцо, центрированное на внутреннем кольце. K = коническое отверстие, конус 1:12. W33 = Смазочный паз и три отверстия в наружном кольце подшипника. |
| 23092 CA/W33 | CA = цельный обработанный латунный сепаратор, двойной зуб, удерживающие фланцы на внутреннем кольце и направляющем кольце, центрированные на внутреннем кольце. W33 = кольцевой паз и три отверстия для смазки на внешнем кольце. |
| 23092-B-K-MB | BK = K = коническое отверстие, конус 1:12. D1 = Смазочное отверстие и три отверстия в наружном кольце подшипника. |
| 23092-E1A-MB1 | MB = Обработанный латунный сепаратор с внутренним кольцом. |
| 23092-K-MB-W33 | MB = Обработанный латунный сепаратор с внутренним кольцом. KR = коническое отверстие. W33 = Смазочный паз и три отверстия в наружном кольце подшипника. |
| 23092 KCW33+H3092 | W3 = Смазочный паз и три отверстия в наружном кольце подшипника. |
| 23092-B-K-MB+H3092 | BK = K = коническое отверстие, конус 1:12. D1 = Смазочное отверстие и три отверстия в наружном кольце подшипника. |
| 23092 EKW33+OH3092 | K = коническое отверстие, конус 1:12. W33 = Смазочный паз и три отверстия в наружном кольце подшипника. |
| 23092 KCW33+AH3092 | W3 = Смазочный паз и три отверстия в наружном кольце подшипника. |
| 23092 EKW33+AOHX3092 | K = коническое отверстие, конус 1:12. W33 = Смазочный паз и три отверстия в наружном кольце подшипника. |
| 23092-B-K-MB+AHX3092G | BK = K = коническое отверстие, конус 1:12. D1 = Смазочное отверстие и три отверстия в наружном кольце подшипника. |
| 23092-K-MB-W33+AHX3092 | MB = Обработанный латунный сепаратор с внутренним кольцом. KR = коническое отверстие. W33 = Смазочный паз и три отверстия в наружном кольце подшипника. |
| 23092-K-MB-W33+OH3092-H | MB = Обработанный латунный сепаратор с внутренним кольцом. KR = коническое отверстие. W33 = Смазочный паз и три отверстия в наружном кольце подшипника. |
| 23092-B-K-MB + AHX3092G-H | BK = K = коническое отверстие, конус 1:12. D1 = Смазочное отверстие и три отверстия в наружном кольце подшипника. |
Габаритные размеры
Размеры и геометрические характеристики
Нагрузка и ресурс
Коэффициенты для расчета
Присоединительные размеры
Конструкция и исполнение
Прочие характеристики