Главная > Подшипники> Роликовые > Радиальные сферические>23040-E1A-K-M + AH3040G

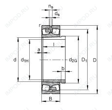
23040-E1A-K-M + AH3040G — Подшипник роликовый самоустанавливающийся, импортное производство по ISO стандарту, размер 190x310x82 номер основного исполнения 23040.
Производитель: FAG.
K = коническое отверстие, конус 1:12. MA = обработанная латунная клетка с наружным кольцом.
Цена от:31 341 р.
Цена на подшипник зависит от:
| Обозначение | Модификация |
|---|---|
| 23040 | Основное конструктивное исполнение. |
| 23040R | R = Наружное кольцо с фланцем . |
| 23040B | B = однокомпонентное ребристое внутреннее кольцо. |
| 23040E | Е = Увеличенная грузоподъемность. |
| 23040BK | BK = K = коническое отверстие, конус 1:12. D1 = Смазочное отверстие и три отверстия в наружном кольце подшипника. |
| 23040RK | К = Коническая посадка, конусность 1:12. |
| 23040MB | MB = Обработанный латунный сепаратор с внутренним кольцом. |
| 23040CK | К = Коническая посадка, конусность 1:12. |
| 23040EK | К = Коническая посадка, конусность 1:12. |
| 23040YM | Y = Штампованный латунный сепаратор, центрируемый по телам качения. |
| 23040 K | К = Коническая посадка, конусность 1:12. |
| 23040RHA | R = Наружное кольцо с фланцем . |
| 23040W33 | W3 = Смазочный паз и три отверстия в наружном кольце подшипника. |
| 23040A2X | A = внутренняя модификация конструкции. |
| 23040RHAK | К = Коническая посадка, конусность 1:12. |
| 23040A2XK | К = Коническая посадка, конусность 1:12. |
| 23040MW33 | W3 = Смазочный паз и три отверстия в наружном кольце подшипника. |
| 23040CAE4 | CA = цельный латунный сепаратор с механической обработкой, двойной зуб, удерживающие фланцы на внутреннем кольце и направляющем кольце, центрированные на внутреннем кольце. Е = увеличенная грузоподъемность. |
| 23040CKW33 | K = коническое отверстие, конус 1:12. W33 = Смазочный паз и три отверстия в наружном кольце подшипника. |
| 23040EMW33 | E = Увеличенная грузоподъемность. М = Механически обработанный латунный сепаратор, центрируемый по роликам. W33 = Смазочный паз и три отверстия в наружном кольце подшипника. |
| 23040CAKE4 | CA = Цельный обработанный латунный сепаратор, двойной зуб, удерживающие фланцы на внутреннем кольце и направляющем кольце, центрированные на внутреннем кольце. |
| 23040 KW33 | K = коническое отверстие, конус 1:12. W33 = Смазочный паз и три отверстия в наружном кольце подшипника. |
| 23040 CW33 | W3 = Смазочный паз и три отверстия в наружном кольце подшипника. |
| 23040 KCW33 | W3 = Смазочный паз и три отверстия в наружном кольце подшипника. |
| TL23040CAE4 | CA = цельный латунный сепаратор с механической обработкой, двойной зуб, удерживающие фланцы на внутреннем кольце и направляющем кольце, центрированные на внутреннем кольце. Е = увеличенная грузоподъемность. |
| 23040EMKW33 | K = коническое отверстие, конус 1:12. W33 = Смазочный паз и три отверстия в наружном кольце подшипника. |
| 23040MBKW33 | K = коническое отверстие, конус 1:12. W33 = Смазочный паз и три отверстия в наружном кольце подшипника. |
| 23040 CAME4 | CAM = цельный латунный сепаратор, направляющее кольцо. E4 = смазочный паз и три отверстия в наружном кольце подшипника. |
| 23040 E1A.M | E1 = Проектирование повышенной емкости. |
| TL23040CAKE4 | CA = Цельный обработанный латунный сепаратор, двойной зуб, удерживающие фланцы на внутреннем кольце и направляющем кольце, центрированные на внутреннем кольце. |
| 23040 CC/W33 | Радиальный сферический роликоподшипник исполнения С с улучшенным ведением роликов и, благодаря этому, сниженным потерям на трение. |
| 23040-MB-W33 | MB = Обработанный латунный сепаратор с внутренним кольцом. KR = коническое отверстие. W33 = Смазочный паз и три отверстия в наружном кольце подшипника. |
| 23040 CCK/W33 | CC = сферический роликоподшипник конструкции C, с улучшенным управлением роликом. K = коническое отверстие, конус 1:12. W33 = Смазочный паз и три отверстия в наружном кольце подшипника. |
| 23040-E1-TVPB | TVP = сегментный сепаратор, изготовленный из армированного стекловолокном полиамида PA66 направленная по роликам. |
| 23040 E1A.K.M | K = коническое отверстие, конус 1:12. М = Механически обработанный латунный сепаратор, центрируемый по роликам. |
| 23040 A.W33.MB | W3 = Смазочный паз и три отверстия в наружном кольце подшипника. |
| 23040 E1A.M.C3 | M = Цельный латунный сепаратор, с шариковой направляющей. C3 = Радиальный внутренний зазор подшипника больше, чем обычно. |
| 23040 CC.C3W33 | C3W33 = C3 = Радиальный внутренний зазор больше, чем обычно. W33 = Смазочная канавка и три отверстия в наружном кольце подшипника. |
| 23040-K-MB-W33 | MB = Обработанный латунный сепаратор с внутренним кольцом. KR = коническое отверстие. W33 = Смазочный паз и три отверстия в наружном кольце подшипника. |
| 23040-E1-K-TVPB | TVP = сегментный сепаратор, изготовленный из армированного стекловолокном полиамида PA66 направленная по роликам. |
| 23040SWRCAg2ME4 | CA = Цельный обработанный латунный сепаратор, двойной зуб, удерживающие фланцы на внутреннем кольце и направляющем кольце, центрированные на внутреннем кольце. |
| 23040 CCK.C3W33 | CC = сферический роликоподшипник конструкции C, с улучшенным управлением роликом. K = коническое отверстие, конус 1:12. C3 = Внутренний зазор больше, чем обычно. W33 = Смазочный паз и три отверстия в наружном кольце подшипника. |
| 23040 E1A.K.M.C3 | M = Цельный латунный сепаратор, с шариковой направляющей. C3 = Радиальный внутренний зазор подшипника больше, чем обычно. |
| 23040-2CS5/VT143 | 2CS = увеличенная грузоподьемность и Резиновые уплотнения с каждой стороны подшипника. |
| 23040 EKW33+H3040 | K = коническое отверстие, конус 1:12. W33 = Смазочный паз и три отверстия в наружном кольце подшипника. |
| 23040-2CS5K/VT143 | 2CS = увеличенная грузоподьемность и Резиновые уплотнения с каждой стороны подшипника. |
| 23040 KCW33+H3040 | W3 = Смазочный паз и три отверстия в наружном кольце подшипника. |
| 23040 EKW33+AH3040 | K = коническое отверстие, конус 1:12. W33 = Смазочный паз и три отверстия в наружном кольце подшипника. |
| 23040 KCW33+AH3040 | W3 = Смазочный паз и три отверстия в наружном кольце подшипника. |
| 23040-K-MB-W33+H3040 | MB = Обработанный латунный сепаратор с внутренним кольцом. KR = коническое отверстие. W33 = Смазочный паз и три отверстия в наружном кольце подшипника. |
Габаритные размеры
Размеры и геометрические характеристики
Нагрузка и ресурс
Коэффициенты для расчета
Присоединительные размеры
Конструкция и исполнение
Прочие характеристики