Главная > Подшипники> Роликовые > Радиальные сферические>23038-E1A-K-M + AH3038G

23038-E1A-K-M + AH3038G — Подшипник роликовый самоустанавливающийся, импортное производство по ISO стандарту, размер 180x290x75 номер основного исполнения 23038.
Производитель: FAG.
K = коническое отверстие, конус 1:12. MA = обработанная латунная клетка с наружным кольцом.
Цена от:27 685 р.
Цена на подшипник зависит от:
| Обозначение | Модификация |
|---|---|
| 23038 | Основное конструктивное исполнение. |
| 23038R | R = Наружное кольцо с фланцем . |
| 23038E | Е = Увеличенная грузоподъемность. |
| 23038C | С = Необслуживаемые концы стержней, внутренняя резьба. |
| 23038B | B = однокомпонентное ребристое внутреннее кольцо. |
| 23038MB | MB = Обработанный латунный сепаратор с внутренним кольцом. |
| 23038BK | BK = K = коническое отверстие, конус 1:12. D1 = Смазочное отверстие и три отверстия в наружном кольце подшипника. |
| 23038YM | 8Y = Упорный шарикоподшипник двойного направления. |
| 23038EK | К = Коническая посадка, конусность 1:12. |
| 23038 K | К = Коническая посадка, конусность 1:12. |
| 23038RK | К = Коническая посадка, конусность 1:12. |
| 23038W33 | W3 = Смазочный паз и три отверстия в наружном кольце подшипника. |
| 23038A2X | A = внутренняя модификация конструкции. |
| 23038MBK | BK = K = коническое отверстие, конус 1:12. D1 = Смазочное отверстие и три отверстия в наружном кольце подшипника. |
| 23038RHA | R = Наружное кольцо с фланцем . |
| 23038MW33 | W3 = Смазочный паз и три отверстия в наружном кольце подшипника. |
| 23038A2XK | К = Коническая посадка, конусность 1:12. |
| 23038RHAK | К = Коническая посадка, конусность 1:12. |
| 23038CAE4 | CA = цельный латунный сепаратор с механической обработкой, двойной зуб, удерживающие фланцы на внутреннем кольце и направляющем кольце, центрированные на внутреннем кольце. Е = увеличенная грузоподъемность. |
| 23038 KW33 | K = коническое отверстие, конус 1:12. W33 = Смазочный паз и три отверстия в наружном кольце подшипника. |
| 23038 CW33 | W3 = Смазочный паз и три отверстия в наружном кольце подшипника. |
| 23038EMW33 | E = Увеличенная грузоподъемность. М = Механически обработанный латунный сепаратор, центрируемый по роликам. W33 = Смазочный паз и три отверстия в наружном кольце подшипника. |
| 23038EAW33 | W3 = Смазочный паз и три отверстия в наружном кольце подшипника. |
| 23038CKW33 | K = коническое отверстие, конус 1:12. W33 = Смазочный паз и три отверстия в наружном кольце подшипника. |
| 23038CAKE4 | CA = Цельный обработанный латунный сепаратор, двойной зуб, удерживающие фланцы на внутреннем кольце и направляющем кольце, центрированные на внутреннем кольце. |
| 23038 CAME4 | CAM = цельный латунный сепаратор, направляющее кольцо. E4 = смазочный паз и три отверстия в наружном кольце подшипника. |
| TL23038CAE4 | CA = цельный латунный сепаратор с механической обработкой, двойной зуб, удерживающие фланцы на внутреннем кольце и направляющем кольце, центрированные на внутреннем кольце. Е = увеличенная грузоподъемность. |
| 23038-E1A-M | E1 = Проектирование повышенной емкости. |
| 23038EAKW33 | K = коническое отверстие, конус 1:12. W33 = Смазочный паз и три отверстия в наружном кольце подшипника. |
| 23038EMKW33 | K = коническое отверстие, конус 1:12. W33 = Смазочный паз и три отверстия в наружном кольце подшипника. |
| 23038 KCW33 | W3 = Смазочный паз и три отверстия в наружном кольце подшипника. |
| 23038 CC/W33 | Радиальный сферический роликоподшипник исполнения С с улучшенным ведением роликов и, благодаря этому, сниженным потерям на трение. |
| 23038-MB-W33 | MB = Обработанный латунный сепаратор с внутренним кольцом. KR = коническое отверстие. W33 = Смазочный паз и три отверстия в наружном кольце подшипника. |
| TL23038CAKE4 | CA = Цельный обработанный латунный сепаратор, двойной зуб, удерживающие фланцы на внутреннем кольце и направляющем кольце, центрированные на внутреннем кольце. |
| 23038 CAME4C3 | CAM = цельный латунный сепаратор, направляющее кольцо. E4 = смазочный паз и три отверстия в наружном кольце подшипника. |
| 23038 CCK.W33 | CC = сферический роликоподшипник конструкции C, с улучшенным управлением роликом. K = коническое отверстие, конус 1:12. W33 = Смазочный паз и три отверстия в наружном кольце подшипника. |
| 23038 E1A.K.M | K = коническое отверстие, конус 1:12. М = Механически обработанный латунный сепаратор, центрируемый по роликам. |
| 23038-E1-TVPB | TVP = сегментный сепаратор, изготовленный из армированного стекловолокном полиамида PA66 направленная по роликам. |
| 23038 CC.C3W33 | C3W33 = C3 = Радиальный внутренний зазор больше, чем обычно. W33 = Смазочная канавка и три отверстия в наружном кольце подшипника. |
| 23038 E1A.M.C3 | M = Цельный латунный сепаратор, с шариковой направляющей. C3 = Радиальный внутренний зазор подшипника больше, чем обычно. |
| 23038-K-MB-W33 | MB = Обработанный латунный сепаратор с внутренним кольцом. KR = коническое отверстие. W33 = Смазочный паз и три отверстия в наружном кольце подшипника. |
| 23038 CAMKE4.C3 | CAM = цельный латунный сепаратор, направляющее кольцо. K = коническое отверстие, конус 1:12. E4 = смазочный паз и три отверстия в наружном кольце подшипника. |
| 23038-E1-K-TVPB | TVP = сегментный сепаратор, изготовленный из армированного стекловолокном полиамида PA66 направленная по роликам. |
| 23038SWRCAg2ME4 | CA = Цельный обработанный латунный сепаратор, двойной зуб, удерживающие фланцы на внутреннем кольце и направляющем кольце, центрированные на внутреннем кольце. |
| 23038 E1A.K.M.C3 | M = Цельный латунный сепаратор, с шариковой направляющей. C3 = Радиальный внутренний зазор подшипника больше, чем обычно. |
| 23038 EKW33+H3038 | K = коническое отверстие, конус 1:12. W33 = Смазочный паз и три отверстия в наружном кольце подшипника. |
| 23038 KCW33+H3038 | W3 = Смазочный паз и три отверстия в наружном кольце подшипника. |
| 23038 EKW33+AH3038 | K = коническое отверстие, конус 1:12. W33 = Смазочный паз и три отверстия в наружном кольце подшипника. |
| 23038 KCW33+AH3038 | W3 = Смазочный паз и три отверстия в наружном кольце подшипника. |
| 23038-K-MB-W33+H3038 | MB = Обработанный латунный сепаратор с внутренним кольцом. KR = коническое отверстие. W33 = Смазочный паз и три отверстия в наружном кольце подшипника. |
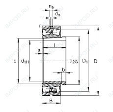
Габаритные размеры
Размеры и геометрические характеристики
Нагрузка и ресурс
Коэффициенты для расчета
Присоединительные размеры
Конструкция и исполнение
Прочие характеристики