Главная > Подшипники> Роликовые > Радиальные сферические>23036-E1A-K-M + H3036

23036-E1A-K-M + H3036 — Подшипник роликовый самоустанавливающийся, импортное производство по ISO стандарту, размер 160x280x74 номер основного исполнения 23036.
Производитель: FAG.
K = коническое отверстие, конус 1:12. М = Механически обработанный латунный сепаратор, центрируемый по роликам.
Цена от:24 531 р.
Цена на подшипник зависит от:
| Обозначение | Модификация |
|---|---|
| 23036 | Основное конструктивное исполнение. |
| 23036E | Е = Увеличенная грузоподъемность. |
| 23036B | B = однокомпонентное ребристое внутреннее кольцо. |
| 23036C | С = Необслуживаемые концы стержней, внутренняя резьба. |
| 23036MB | MB = Обработанный латунный сепаратор с внутренним кольцом. |
| 23036EK | К = Коническая посадка, конусность 1:12. |
| 23036AX | A = внутренняя модификация конструкции. |
| 23036BK | BK = K = коническое отверстие, конус 1:12. D1 = Смазочное отверстие и три отверстия в наружном кольце подшипника. |
| 23036CK | К = Коническая посадка, конусность 1:12. |
| 23036 K | К = Коническая посадка, конусность 1:12. |
| 23036YM | Y = Штампованный латунный сепаратор, центрируемый по телам качения. |
| 23036RH | R = Наружное кольцо с фланцем . |
| 23036W33 | W3 = Смазочный паз и три отверстия в наружном кольце подшипника. |
| 23036AXK | К = Коническая посадка, конусность 1:12. |
| 23036MBK | BK = K = коническое отверстие, конус 1:12. D1 = Смазочное отверстие и три отверстия в наружном кольце подшипника. |
| 23036RHK | К = Коническая посадка, конусность 1:12. |
| 23036CDE4 | CD = сферический роликовый подшипник, двухкомпонентный стальной штампованный сепаратор с направляющим кольцом. E4 = (W33 (SKF) ) = смазочный паз и три отверстия в наружном кольце подшипника. |
| 23036MW33 | W3 = Смазочный паз и три отверстия в наружном кольце подшипника. |
| 23036EMW33 | E = Увеличенная грузоподъемность. М = Механически обработанный латунный сепаратор, центрируемый по роликам. W33 = Смазочный паз и три отверстия в наружном кольце подшипника. |
| 23036 CW33 | W3 = Смазочный паз и три отверстия в наружном кольце подшипника. |
| 23036 KW33 | K = коническое отверстие, конус 1:12. W33 = Смазочный паз и три отверстия в наружном кольце подшипника. |
| 23036EAW33 | W3 = Смазочный паз и три отверстия в наружном кольце подшипника. |
| 23036MBW33 | MB = Обработанный латунный сепаратор с внутренним кольцом. KR = коническое отверстие. W33 = Смазочный паз и три отверстия в наружном кольце подшипника. |
| 23036CKW33 | K = коническое отверстие, конус 1:12. W33 = Смазочный паз и три отверстия в наружном кольце подшипника. |
| 23036CDKE4 | К = Коническая посадка, конусность 1:12. |
| TL23036CDE4 | CD = сферический роликовый подшипник, двухкомпонентный стальной штампованный сепаратор с направляющим кольцом. E4 = (W33 (SKF) ) = смазочный паз и три отверстия в наружном кольце подшипника. |
| 23036EMKW33 | K = коническое отверстие, конус 1:12. W33 = Смазочный паз и три отверстия в наружном кольце подшипника. |
| 23036EAKW33 | K = коническое отверстие, конус 1:12. W33 = Смазочный паз и три отверстия в наружном кольце подшипника. |
| 23036 KCW33 | W3 = Смазочный паз и три отверстия в наружном кольце подшипника. |
| 23036 E1A.M | E1 = Проектирование повышенной емкости. |
| TL23036CDKE4 | К = Коническая посадка, конусность 1:12. |
| 23036 CC/W33 | Радиальный сферический роликоподшипник исполнения С с улучшенным ведением роликов и, благодаря этому, сниженным потерям на трение. |
| 23036 CDE4C3 | CD = сферический роликовый подшипник, двухкомпонентный стальной штампованный сепаратор с направляющим кольцом. E4 = (W33 (SKF) ) = смазочный паз и три отверстия в наружном кольце подшипника. |
| 23036 CCK.W33 | CC = сферический роликоподшипник конструкции C, с улучшенным управлением роликом. K = коническое отверстие, конус 1:12. W33 = Смазочный паз и три отверстия в наружном кольце подшипника. |
| 23036-E1-TVPB | TVP = сегментный сепаратор, изготовленный из армированного стекловолокном полиамида PA66 направленная по роликам. |
| 23036 E1A.K.M | K = коническое отверстие, конус 1:12. М = Механически обработанный латунный сепаратор, центрируемый по роликам. |
| 23036-K-MB-W33 | MB = Обработанный латунный сепаратор с внутренним кольцом. KR = коническое отверстие. W33 = Смазочный паз и три отверстия в наружном кольце подшипника. |
| 23036 CC.C3W33 | C3W33 = C3 = Радиальный внутренний зазор больше, чем обычно. W33 = Смазочная канавка и три отверстия в наружном кольце подшипника. |
| 23036SWRCDg2E4 | G2 = установка с нормальным преднатягом. |
| 23036 E1A.M.C3 | M = Цельный латунный сепаратор, с шариковой направляющей. C3 = Радиальный внутренний зазор подшипника больше, чем обычно. |
| 23036-E1-K-TVPB | TVP = сегментный сепаратор, изготовленный из армированного стекловолокном полиамида PA66 направленная по роликам. |
| 23036MBC4F80W33 | C4 = Радиальный внутренний зазор больше C3. |
| 23036 CCK.C3W33 | CC = сферический роликоподшипник конструкции C, с улучшенным управлением роликом. K = коническое отверстие, конус 1:12. C3 = Внутренний зазор больше, чем обычно. W33 = Смазочный паз и три отверстия в наружном кольце подшипника. |
| 23036-2CS5/VT143 | 2CS = увеличенная грузоподьемность и Резиновые уплотнения с каждой стороны подшипника. |
| 23036 E1A.K.M.C3 | M = Цельный латунный сепаратор, с шариковой направляющей. C3 = Радиальный внутренний зазор подшипника больше, чем обычно. |
| 23036-2CS5K/VT143 | 2CS = увеличенная грузоподьемность и Резиновые уплотнения с каждой стороны подшипника. |
| 23036 KCW33+H3036 | W3 = Смазочный паз и три отверстия в наружном кольце подшипника. |
| 23036 EKW33+H3036 | K = коническое отверстие, конус 1:12. W33 = Смазочный паз и три отверстия в наружном кольце подшипника. |
| 23036 EKW33+AH3036 | K = коническое отверстие, конус 1:12. W33 = Смазочный паз и три отверстия в наружном кольце подшипника. |
| 23036 KCW33+AH3036 | W3 = Смазочный паз и три отверстия в наружном кольце подшипника. |
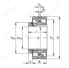
Габаритные размеры
Размеры и геометрические характеристики
Нагрузка и ресурс
Коэффициенты для расчета
Присоединительные размеры
Конструкция и исполнение
Прочие характеристики