Главная > Подшипники> Роликовые > Радиальные сферические>23032-E1A-K-M + AH3032

23032-E1A-K-M + AH3032 — Подшипник роликовый самоустанавливающийся, импортное производство по ISO стандарту, размер 150x240x60 номер основного исполнения 23032.
Производитель: FAG.
K = коническое отверстие, конус 1:12. MA = обработанная латунная клетка с наружным кольцом.
Цена от:17 537 р.
Цена на подшипник зависит от:
| Обозначение | Модификация |
|---|---|
| 23032 | Основное конструктивное исполнение. |
| 23032C | С = Необслуживаемые концы стержней, внутренняя резьба. |
| 23032E | Е = Увеличенная грузоподъемность. |
| 23032B | B = однокомпонентное ребристое внутреннее кольцо. |
| 23032BK | BK = K = коническое отверстие, конус 1:12. D1 = Смазочное отверстие и три отверстия в наружном кольце подшипника. |
| 23032YM | Y = Штампованный латунный сепаратор, центрируемый по телам качения. |
| 23032RH | R = Наружное кольцо с фланцем . |
| 23032AX | A = внутренняя модификация конструкции. |
| 23032EK | К = Коническая посадка, конусность 1:12. |
| 23032 K | К = Коническая посадка, конусность 1:12. |
| 23032CK | К = Коническая посадка, конусность 1:12. |
| 23032MB | MB = Обработанный латунный сепаратор с внутренним кольцом. |
| 23032RHK | К = Коническая посадка, конусность 1:12. |
| 23032AXK | К = Коническая посадка, конусность 1:12. |
| 23032W33 | W3 = Смазочный паз и три отверстия в наружном кольце подшипника. |
| 23032MBK | BK = K = коническое отверстие, конус 1:12. D1 = Смазочное отверстие и три отверстия в наружном кольце подшипника. |
| 23032MW33 | W3 = Смазочный паз и три отверстия в наружном кольце подшипника. |
| 23032CKW33 | K = коническое отверстие, конус 1:12. W33 = Смазочный паз и три отверстия в наружном кольце подшипника. |
| 23032CDKE4 | К = Коническая посадка, конусность 1:12. |
| 23032 CDE4 | CD = сферический роликовый подшипник, двухкомпонентный стальной штампованный сепаратор с направляющим кольцом. E4 = (W33 (SKF) ) = смазочный паз и три отверстия в наружном кольце подшипника. |
| 23032 CW33 | W3 = Смазочный паз и три отверстия в наружном кольце подшипника. |
| 23032MBW33 | MB = Обработанный латунный сепаратор с внутренним кольцом. KR = коническое отверстие. W33 = Смазочный паз и три отверстия в наружном кольце подшипника. |
| 23032EAW33 | W3 = Смазочный паз и три отверстия в наружном кольце подшипника. |
| 23032EMW33 | E = Увеличенная грузоподъемность. М = Механически обработанный латунный сепаратор, центрируемый по роликам. W33 = Смазочный паз и три отверстия в наружном кольце подшипника. |
| 23032 KW33 | K = коническое отверстие, конус 1:12. W33 = Смазочный паз и три отверстия в наружном кольце подшипника. |
| 23032 E1A.M | E1 = Проектирование повышенной емкости. |
| TL23032CDE4 | CD = сферический роликовый подшипник, двухкомпонентный стальной штампованный сепаратор с направляющим кольцом. E4 = (W33 (SKF) ) = смазочный паз и три отверстия в наружном кольце подшипника. |
| 23032 KCW33 | W3 = Смазочный паз и три отверстия в наружном кольце подшипника. |
| 23032EMKW33 | K = коническое отверстие, конус 1:12. W33 = Смазочный паз и три отверстия в наружном кольце подшипника. |
| 23032EAKW33 | K = коническое отверстие, конус 1:12. W33 = Смазочный паз и три отверстия в наружном кольце подшипника. |
| 23032MBKW33 | K = коническое отверстие, конус 1:12. W33 = Смазочный паз и три отверстия в наружном кольце подшипника. |
| 23032 CC.W33 | Радиальный сферический роликоподшипник исполнения С с улучшенным ведением роликов и, благодаря этому, сниженным потерям на трение. |
| TL23032CDKE4 | К = Коническая посадка, конусность 1:12. |
| 23032 E1A.K.M | K = коническое отверстие, конус 1:12. М = Механически обработанный латунный сепаратор, центрируемый по роликам. |
| 23032 ACMBW33 | MB = Обработанный латунный сепаратор с внутренним кольцом. KR = коническое отверстие. W33 = Смазочный паз и три отверстия в наружном кольце подшипника. |
| 23032 CCK/W33 | CC = сферический роликоподшипник конструкции C, с улучшенным управлением роликом. K = коническое отверстие, конус 1:12. W33 = Смазочный паз и три отверстия в наружном кольце подшипника. |
| 23032-E1-TVPB | TVP = сегментный сепаратор, изготовленный из армированного стекловолокном полиамида PA66 направленная по роликам. |
| 23032 CC.C3W33 | C3W33 = C3 = Радиальный внутренний зазор больше, чем обычно. W33 = Смазочная канавка и три отверстия в наружном кольце подшипника. |
| 23032SWRCDg2E4 | G2 = установка с нормальным преднатягом. |
| 23032 E1A.M.C3 | M = Цельный латунный сепаратор, с шариковой направляющей. C3 = Радиальный внутренний зазор подшипника больше, чем обычно. |
| 23032-K-MB-W33 | MB = Обработанный латунный сепаратор с внутренним кольцом. KR = коническое отверстие. W33 = Смазочный паз и три отверстия в наружном кольце подшипника. |
| 23032 ACKMBW33 | MB = Обработанный латунный сепаратор с внутренним кольцом. KR = коническое отверстие. W33 = Смазочный паз и три отверстия в наружном кольце подшипника. |
| 23032 CCK.C3W33 | CC = сферический роликоподшипник конструкции C, с улучшенным управлением роликом. K = коническое отверстие, конус 1:12. C3 = Внутренний зазор больше, чем обычно. W33 = Смазочный паз и три отверстия в наружном кольце подшипника. |
| 23032-E1-K-TVPB | TVP = сегментный сепаратор, изготовленный из армированного стекловолокном полиамида PA66 направленная по роликам. |
| 23032 E1A.K.M.C3 | M = Цельный латунный сепаратор, с шариковой направляющей. C3 = Радиальный внутренний зазор подшипника больше, чем обычно. |
| 23032-2CS5/VT143 | 2CS = увеличенная грузоподьемность и Резиновые уплотнения с каждой стороны подшипника. |
| 23032-2CS5K/VT143 | 2CS = увеличенная грузоподьемность и Резиновые уплотнения с каждой стороны подшипника. |
| 23032 KCW33+H3032 | W3 = Смазочный паз и три отверстия в наружном кольце подшипника. |
| 23032 EKW33+H3032 | K = коническое отверстие, конус 1:12. W33 = Смазочный паз и три отверстия в наружном кольце подшипника. |
| 23032 EKW33+AH3032 | K = коническое отверстие, конус 1:12. W33 = Смазочный паз и три отверстия в наружном кольце подшипника. |
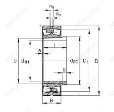
Габаритные размеры
Размеры и геометрические характеристики
Нагрузка и ресурс
Коэффициенты для расчета
Присоединительные размеры
Конструкция и исполнение
Прочие характеристики