Главная > Подшипники> Роликовые > Радиальные сферические>230/600-B-K-MB + AH30/600A-H

230/600-B-K-MB + AH30/600A-H — Подшипник роликовый самоустанавливающийся, импортное производство по ISO стандарту, размер 570x870x200 номер основного исполнения .
Производитель: FAG.
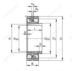
BK = K = коническое отверстие, конус 1:12. D1 = Смазочное отверстие и три отверстия в наружном кольце подшипника.
Цена от:785 936 р.
Цена на подшипник зависит от:
Габаритные размеры
Размеры и геометрические характеристики
Нагрузка и ресурс
Коэффициенты для расчета
Присоединительные размеры
Конструкция и исполнение
Прочие характеристики
Подшипник роликовый радиальный самоцентрирующийся 30731/570НХ (EPK)
Подшипник роликовый радиальный самоцентрирующийся 230/600 EKW33+AOH30/600 (ISB)