Главная > Подшипники> Роликовые > Радиальные сферические>230/530-B-K-MB + AH30/530A-H

230/530-B-K-MB + AH30/530A-H — Подшипник роликовый самоустанавливающийся, импортное производство по ISO стандарту, размер 500x780x185 номер основного исполнения .
Производитель: FAG.
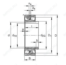
BK = K = коническое отверстие, конус 1:12. D1 = Смазочное отверстие и три отверстия в наружном кольце подшипника.
Цена от:506 023 р.
Цена на подшипник зависит от:
Габаритные размеры
Размеры и геометрические характеристики
Нагрузка и ресурс
Коэффициенты для расчета
Присоединительные размеры
Конструкция и исполнение
Прочие характеристики
Подшипник роликовый радиальный самоцентрирующийся 230/530 EKW33+OH30/530 (ISB)
Подшипник роликовый радиальный самоцентрирующийся 230/530 EKW33+AOH30/530 (ISB)
Подшипник роликовый самоустанавливающийся 230/530-B-K-MB + H30/530-HG (FAG)
Подшипник роликовый сферический 230SM500-MA (FAG)