Главная > Подшипники> Роликовые > Радиальные сферические>230/500-B-K-MB + AHX30/500-H

230/500-B-K-MB + AHX30/500-H — Подшипник роликовый самоустанавливающийся, импортное производство по ISO стандарту, размер 480x720x167 номер основного исполнения .
Производитель: FAG.
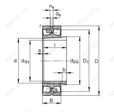
BK = K = коническое отверстие, конус 1:12. D1 = Смазочное отверстие и три отверстия в наружном кольце подшипника.
Цена от:403 760 р.
Цена на подшипник зависит от:
Габаритные размеры
Размеры и геометрические характеристики
Нагрузка и ресурс
Коэффициенты для расчета
Присоединительные размеры
Конструкция и исполнение
Прочие характеристики