Главная > Подшипники> Роликовые > Игольчатые>22MM2816

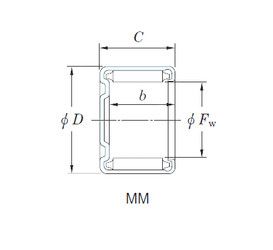
22MM2816 — Подшипник игольчатый радиальный, импортное производство по ISO стандарту, размер 22x28x16 номер основного исполнения .
Производитель: KOYO.
M = массивный латунный сепаратор.
Цена по запросу
Цена на подшипник зависит от:
Габаритные размеры
Размеры и геометрические характеристики
Нагрузка и ресурс
Защита
Конструкция и исполнение
Другие размеры
Подшипник роликовый игольчатый с наружным кольцом с плоским дном с сепаратором ВК222816
Подшипник роликовый игольчатый с наружным кольцом с профилированным дном без сепаратора НД222816
Подшипник роликовый игольчатый с наружным кольцом со сквозным отверстием без сепаратора НК222816
Подшипник роликовый игольчатый с наружным кольцом с профилированным дном без сепаратора СК222816
Роликовый игольчатый подшипник BK2216 (CX, ISO, KOYO, NBS, NIS)
Подшипник игольчатый радиальный 22MKM2816 (KOYO)