Главная > Подшипники> Роликовые > Игольчатые>22MM2812

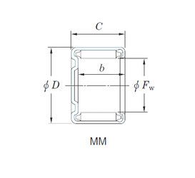
22MM2812 — Подшипник игольчатый радиальный, импортное производство по ISO стандарту, размер 22x28x12 номер основного исполнения .
Производитель: KOYO.
M = массивный латунный сепаратор.
Цена по запросу
Цена на подшипник зависит от:
Габаритные размеры
Размеры и геометрические характеристики
Нагрузка и ресурс
Защита
Конструкция и исполнение
Другие размеры
Подшипник игольчатый радиальный HK222812 (EPK)
Подшипник роликовый игольчатый с наружным кольцом с плоским дном с сепаратором ВК222812
Подшипник роликовый игольчатый с наружным кольцом с профилированным дном без сепаратора НД222812
Подшипник роликовый игольчатый НК222812
Подшипник роликовый игольчатый с наружным кольцом с профилированным дном без сепаратора СК222812
Роликовый игольчатый подшипник BK2212 (CX, INA, ISO, KOYO, NBS)