Главная > Подшипники> Роликовые > Радиальные сферические>22332-E1-K + AH2332G

22332-E1-K + AH2332G — Подшипник роликовый самоустанавливающийся, импортное производство по ISO стандарту, размер 150x340x114 номер основного исполнения 22332.
Производитель: FAG.
E1 = Проектирование повышенной емкости.
Цена от:40 888 р.
Цена на подшипник зависит от:
| Обозначение | Модификация |
|---|---|
| 22332 | Основное конструктивное исполнение. |
| 22332E | Е = Увеличенная грузоподъемность. |
| 22332R | R = Наружное кольцо с фланцем . |
| 22332B | B = однокомпонентное ребристое внутреннее кольцо. |
| 22332C | С = Необслуживаемые концы стержней, внутренняя резьба. |
| 22332CK | К = Коническая посадка, конусность 1:12. |
| 22332RK | К = Коническая посадка, конусность 1:12. |
| 22332EK | К = Коническая посадка, конусность 1:12. |
| 22332 K | К = Коническая посадка, конусность 1:12. |
| 22332CJ | С = Необслуживаемые концы стержней, внутренняя резьба. |
| 22332BK | BK = K = коническое отверстие, конус 1:12. D1 = Смазочное отверстие и три отверстия в наружном кольце подшипника. |
| 22332W33 | W3 = Смазочный паз и три отверстия в наружном кольце подшипника. |
| 22332 VA | V = Увеличенная грузоподъемность, внутренняя модификация конструкции. |
| 22332-E1 | E1 = Проектирование повышенной емкости. |
| 22332MBK | BK = K = коническое отверстие, конус 1:12. D1 = Смазочное отверстие и три отверстия в наружном кольце подшипника. |
| 22332-MB | MB = Обработанный латунный сепаратор с внутренним кольцом. |
| 22332YMB | MB = Обработанный латунный сепаратор с внутренним кольцом. |
| 22332RHA | R = Наружное кольцо с фланцем . |
| 22332MW33 | W3 = Смазочный паз и три отверстия в наружном кольце подшипника. |
| 22332RHAK | К = Коническая посадка, конусность 1:12. |
| 22332 KVA | К = Коническая посадка, конусность 1:12. |
| 22332CAE4 | CA = цельный латунный сепаратор с механической обработкой, двойной зуб, удерживающие фланцы на внутреннем кольце и направляющем кольце, центрированные на внутреннем кольце. Е = увеличенная грузоподъемность. |
| 22332 K.MB | K = коническое отверстие, конус 1:12. М = Механически обработанный латунный сепаратор, центрируемый по роликам. |
| 22332 CW33 | W3 = Смазочный паз и три отверстия в наружном кольце подшипника. |
| 22332MBW33 | MB = Обработанный латунный сепаратор с внутренним кольцом. KR = коническое отверстие. W33 = Смазочный паз и три отверстия в наружном кольце подшипника. |
| 22332 KW33 | K = коническое отверстие, конус 1:12. W33 = Смазочный паз и три отверстия в наружном кольце подшипника. |
| 22332EVBC4 | EVB = Вибрационные подшипники повышенной емкости. C4 = Радиальный внутренний зазор подшипника больше, чем C3. |
| 22332EF800 | Механически обработанный сепаратор из стали или чугуна, центрируемый по телам качения. |
| 22332-E1-K | E1 = Проектирование повышенной емкости. |
| 22332UAVS1 | S1 = Кольца подшипника стабилизированы для рабочих температур до + 200 С. |
| 22332UAVS2 | S2 = Кольца подшипника стабилизированы для рабочих температур до + 250 С. |
| 22332EF802 | Механически обработанный сепаратор из стали или чугуна, центрируемый по телам качения. |
| 22332EMW33 | E = Увеличенная грузоподъемность. М = Механически обработанный латунный сепаратор, центрируемый по роликам. W33 = Смазочный паз и три отверстия в наружном кольце подшипника. |
| 22332CAKE4 | CA = Цельный обработанный латунный сепаратор, двойной зуб, удерживающие фланцы на внутреннем кольце и направляющем кольце, центрированные на внутреннем кольце. |
| 22332CC/W33 | Радиальный сферический роликоподшипник исполнения С с улучшенным ведением роликов и, благодаря этому, сниженным потерям на трение. |
| 22332EKF800 | К = Коническая посадка, конусность 1:12. |
| 22332EMKW33 | K = коническое отверстие, конус 1:12. W33 = Смазочный паз и три отверстия в наружном кольце подшипника. |
| 22332 KCW33 | W3 = Смазочный паз и три отверстия в наружном кольце подшипника. |
| 22332 CAME4 | CAM = цельный латунный сепаратор, направляющее кольцо. E4 = смазочный паз и три отверстия в наружном кольце подшипника. |
| 22332 ACMW33 | AC = 25 градусов угол контакта. M = массивный латунный сепаратор. |
| 22332CCK/W33 | CC = сферический роликоподшипник конструкции C, с улучшенным управлением роликом. K = коническое отверстие, конус 1:12. W33 = Смазочный паз и три отверстия в наружном кольце подшипника. |
| 22332 ACMAW33 | AC = 25 градусов угол контакта. M = массивный латунный сепаратор. |
| 22332 ACKMW33 | K = коническое отверстие, конус 1:12. М = Механически обработанный латунный сепаратор, центрируемый по роликам. |
| MX-22332UAVS2 | S2 = Кольца подшипника стабилизированы для рабочих температур до + 250 С. |
| 22332 CC.C4W33 | C4 = Радиальный внутренний зазор больше C3. |
| 22332-K-MB-W33 | MB = Обработанный латунный сепаратор с внутренним кольцом. KR = коническое отверстие. W33 = Смазочный паз и три отверстия в наружном кольце подшипника. |
| 22332 CCK.C3W33 | CC = сферический роликоподшипник конструкции C, с улучшенным управлением роликом. K = коническое отверстие, конус 1:12. C3 = Внутренний зазор больше, чем обычно. W33 = Смазочный паз и три отверстия в наружном кольце подшипника. |
| 22332MAC4F80W33 | MA = Механически обработанный латунный сепаратор наружным кольцом. C4 = Радиальный внутренний зазор подшипника больше, С3. |
| 22332-A-MA-T41A | MA = Механически обработанный латунный сепаратор, центрируемый по наружному кольцу. |
| 22332 AKMA.T41A | K = коническое отверстие, конус 1:12. MA = обработанная латунная клетка с наружным кольцом. |
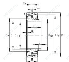
Габаритные размеры
Размеры и геометрические характеристики
Нагрузка и ресурс
Коэффициенты для расчета
Присоединительные размеры
Конструкция и исполнение
Прочие характеристики