Главная > Подшипники> Шариковые> Радиальные сферические>2201-2RS-TVH

2201-2RS-TVH — Подшипник шариковый радиально-сферический, импортное производство по ISO стандарту, размер 12x32x14 номер основного исполнения 2201.
Производитель: FAG.
2RS = резиновые уплотнения с каждой стороны подшипника. Т = TVH = сепаратор из полиамида .
Цена от:383 р.
Цена на подшипник зависит от:
| Обозначение | Модификация |
|---|---|
| 2201 | Основное конструктивное исполнение. |
| S2201 | |
| 2201S | S = смазочный паз и три отверстия в наружном кольце подшипника. |
| 2201G15 | G15 = Формованная литьевая клетка из армированного стекловолокном полиамида 6,6, с вращающимся элементом по центру. |
| 2201 TVH | TV = Твердая клетка из армированного стекловолокном полиамида, шариковая езда. |
| 2201-2RS | Резиновые уплотнения с каждой стороны подшипника. |
| 2201 TN9 | TN = Полиамидная клетка. |
| 2201EEG15 | E = Увеличенная грузоподъемность. G15 = Формованная литьевая клетка из армированного стекловолокном полиамида 6,6, с вращающимся элементом по центру. |
| S2201-2RS | Резиновые уплотнения с каждой стороны подшипника. |
| NA2201XLL | Игольчатый роликоподшипник с размерами по ISO 15. LL (Сегментное уплотнение, код 2RU) = Лабиринтные уплотнения на обеих сторонах (Уплотнение L = типа = все части уплотнения L = типа покрыты цинком на всех сторонах для улучшения защиты от коррозии = без трения уплотнения). |
| 2201 ETN9 | E = Оптимизированный внутренний дизайн. TN9 = литая защелкивающаяся клетка из полиамида 6,6, армированного стекловолокном, с шариковой центрировкой. |
| 2201 ETNG | TNG = Клетка из армированного стекловолокном полиамида 66. |
| 2201 TV.C3 | TV = Твердая клетка из армированного стекловолокном полиамида, шариковая езда. C3 = Радиальный внутренний зазор больше, чем обычно. |
| NA 2201.2RS | Игольчатый роликоподшипник с размерами по ISO 15. Резиновые уплотнения с каждой стороны подшипника. |
| 2201 TVH.C3 | C3 = Радиальный внутренний зазор больше нормального. |
| 2201-2RSTN9 | 2RS = резиновые уплотнения с каждой стороны подшипника. Т = TVH = сепаратор из полиамида . |
| NA 2201.2RSX | Игольчатый роликоподшипник с размерами по ISO 15. Резиновые уплотнения с каждой стороны подшипника. |
| RNA 2201.2RS | Резиновые уплотнения с каждой стороны подшипника. |
| 2201 E-2RS1TN9 | Е = Увеличенная грузоподъемность. 2RS = шарикоподшипники с двухсторонним контактным уплотнением исполнения RS. |
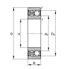
Габаритные размеры
Размеры и геометрические характеристики
Нагрузка и ресурс
Коэффициенты для расчета
Присоединительные размеры
Прочие характеристики
Подшипник шариковый радиальный 62201 (Fersa, NIS, SKF)
Подшипник однорядный шариковый радиальный 62201 2RSR (FAG, SKF)
Подшипник однорядный шариковый радиальный 62201 2RS1 (SKF)
Подшипник однорядный шариковый радиальный 62201 2RS1.C3 (SKF)
Подшипник шариковый радиальный однорядный с односторонним уплотнением 160501
Подшипник шариковый радиальный 180501 С1 (ГПЗ-4)