Главная > Подшипник 211 Л

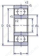
211 Л — отечественное производство по ГОСТ стандарту, размер 55x100x21 номер основного исполнения 211.
Производитель: INA.
Л = Латунный сепаратор.
Цена по запросу
Цена на подшипник зависит от:
| Обозначение | Модификация |
|---|---|
| 211 | Основное конструктивное исполнение. |
| 6-211 | |
| 4-211 | |
| 211 Р | Р = Детали подшипника из теплостойких (быстрорежущих) сталей. |
| 211 А | А = Подшипник повышенной грузоподьемности. ГОСТ |
| 211 Д | Д = сепаратор или другие части подшипника из аллюминевого сплава. |
| 211 Ш | Ш = Пониженые уровни вибрации и шума. |
| 211Д1 | Д1 = сепаратор или другие части подшипника из аллюминевого сплава. Минимальная температура работы подшипника 180 градусов. |
| 211 Ю | Ю - Подшипник выполнен из нержавеющей стали. |
| 5-211 | |
| 211 БТ | Б = Бронзовый сепаратор. Т = Температура отпуска колец 200 градусов, номинальная температура работы подшипника 160 градусов. |
| 211 ЮТ | Ю - Подшипник выполнен из нержавеющей стали. Т = Температура отпуска колец 200 градусов, номинальная температура работы подшипника 160 градусов. |
| 211 АК | А = Увеличенная грузоподемность подшипника. К = Конструктивное изменение зависящее от типа подшипника. |
| 26-211 | |
| 6-211 A | A = внутренняя модификация конструкции. |
| 6-211 Ю | Ю - Подшипник выполнен из нержавеющей стали. |
| 211 Б1Т | Б1 = Бронзовый сепаратор. Т = Температура отпуска колец 200 градусов, номинальная температура работы подшипника 160 градусов. |
| 211 Ю3Т | Ю3 - Подшипник выполнен из нержавеющей стали. Т = Температура отпуска колец 200 градусов, номинальная температура работы подшипника 160 градусов. |
| 5-211 Р | Р = Детали подшипника из теплостойких (быстрорежущих) сталей. |
| 6-211 А | А = Подшипник повышенной грузоподьемности. ГОСТ |
| 6-211 К | К = Конструктивное изменение зависящее от типа подшипника. |
| 6-211 Р | Р = Детали подшипника из теплостойких (быстрорежущих) сталей. |
| 66-211 А | А = Подшипник повышенной грузоподьемности. ГОСТ |
| 70-211 А | А = Подшипник повышенной грузоподьемности. ГОСТ |
| 76-211 Р | Р = Детали подшипника из теплостойких (быстрорежущих) сталей. |
| 211 Т5Д2 | Д = сепаратор или другие части подшипника из аллюминевого сплава. |
| 20-211 Б | Б = Бронзовый сепаратор. |
| 26-211 Р | Р = Детали подшипника из теплостойких (быстрорежущих) сталей. |
| 75-211 ЮТ | Ю - Подшипник выполнен из нержавеющей стали. Т = Температура отпуска колец 200 градусов, номинальная температура работы подшипника 160 градусов. |
| 76-211 Д1 | Д1 = сепаратор или другие части подшипника из аллюминевого сплава. Минимальная температура работы подшипника 180 градусов. |
| 76-211 ЮТ | Ю - Подшипник выполнен из нержавеющей стали. Т = Температура отпуска колец 200 градусов, номинальная температура работы подшипника 160 градусов. |
| 25-211 Д1 | Д1 = сепаратор или другие части подшипника из аллюминевого сплава. Минимальная температура работы подшипника 180 градусов. |
| 26-211 Д1 | Д1 = сепаратор или другие части подшипника из аллюминевого сплава. Минимальная температура работы подшипника 180 градусов. |
| 36-211 Ю1 | Ю1 - Подшипник выполнен из нержавеющей стали. |
| 76-211 Ю3Т | Ю3 - Подшипник выполнен из нержавеющей стали. Т = Температура отпуска колец 200 градусов, номинальная температура работы подшипника 160 градусов. |
| 76-211 Б1Т | Б1 = Бронзовый сепаратор. Т = Температура отпуска колец 200 градусов, номинальная температура работы подшипника 160 градусов. |
| 25-211 Б1Т | Б1 = Бронзовый сепаратор. Т = Температура отпуска колец 200 градусов, номинальная температура работы подшипника 160 градусов. |
| 26-211 Б1Т | Б1 = Бронзовый сепаратор. Т = Температура отпуска колец 200 градусов, номинальная температура работы подшипника 160 градусов. |
| 75-211 Б1Т3 | Б1 = Бронзовый сепаратор. Т = Температура отпуска колец 200 градусов, номинальная температура работы подшипника 160 градусов. |
Подшипник роликовый сферический 20211 (FAG, ISO)
Подшипник шариковый радиальный сферический двухрядный с цилиндрическим отверстием внутреннего кольца 1211
Подшипник шариковый радиально-упорный однорядный с разъемным внутренним кольцом с трехточечным контактом 126211
Подшипник шариковый радиальный 530211 (EPK)
Подшипник роликовый радиально-упорный конический 7511
Подшипник шариковый радиальный 8211 (ГПЗ-3)