Главная > Подшипники> Роликовые > Игольчатые>20MM2612

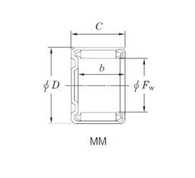
20MM2612 — Подшипник игольчатый радиальный, импортное производство по ISO стандарту, размер 20x26x12 номер основного исполнения .
Производитель: KOYO.
M = массивный латунный сепаратор.
Цена по запросу
Цена на подшипник зависит от:
Габаритные размеры
Размеры и геометрические характеристики
Нагрузка и ресурс
Защита
Конструкция и исполнение
Другие размеры
Подшипник роликовый игольчатый с наружным кольцом с плоским дном с сепаратором ВК202612
Подшипник роликовый игольчатый с наружным кольцом с профилированным дном без сепаратора НД202612
Подшипник роликовый игольчатый с наружным кольцом со сквозным отверстием без сепаратора НК202612
Подшипник роликовый игольчатый с наружным кольцом с профилированным дном без сепаратора СК202612
Роликовый игольчатый подшипник BK2012 (CX, ISO, KOYO, NBS, NTN)
Роликовый игольчатый подшипник HK2012 (AST, CRAFT, CX, FBJ, INA)