Главная > Подшипники> Роликовые > Радиально-упорные>19145D/19281

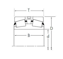
19145D/19281 — Конический роликоподшипник, импортное производство по ISO стандарту, размер 36x71x36 номер основного исполнения .
Производитель: TIMKEN.
D1 = (Смазка сегмента, код W33) = Смазочная канавка и три отверстия в наружном кольце подшипника. Начиная с = D320 Суффикс D1 не используется.
Цена по запросу
Цена на подшипник зависит от:
Габаритные размеры
Размеры и геометрические характеристики
Защита
Конструкция и исполнение