Главная > Подшипники> Роликовые > Радиально-упорные>19143R/19268

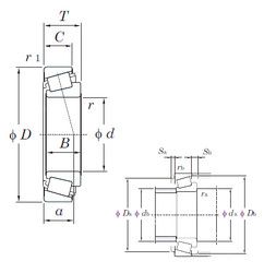
19143R/19268 — Подшипник роликовый радиально-упорный, импортное производство по ISO стандарту, размер 36x280x16 номер основного исполнения .
Производитель: KOYO.
R = Наружное кольцо с фланцем .
Цена от:5 639 р.
Цена на подшипник зависит от:
Габаритные размеры
Размеры и геометрические характеристики
Нагрузка и ресурс
Защита
Коэффициенты для расчета
Присоединительные размеры
Конструкция и исполнение
Подшипник роликовый радиально-упорный 19143R/19283 (KOYO)
Подшипник роликовый радиально-упорный 19143R/19281 (KOYO)