Главная > Подшипники> Роликовые > Радиально-упорные>19138/19268

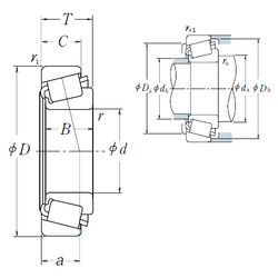
19138/19268 — Однорядный конический роликовый подшипник, импортное производство по ISO стандарту, размер 34x68x15 номер основного исполнения .
Производится брендами: NIS, NSK, TIMKEN.
Цена от:6 073 р.
Цена на подшипник зависит от:
Габаритные размеры
Размеры и геометрические характеристики
Нагрузка и ресурс
Защита
Коэффициенты для расчета
Присоединительные размеры
Конструкция и исполнение
Прочие характеристики