Главная > Подшипники> Роликовые > Игольчатые>18MM2416

18MM2416 — Подшипник игольчатый радиальный, импортное производство по ISO стандарту, размер 18x24x16 номер основного исполнения .
Производитель: KOYO.
M = массивный латунный сепаратор.
Цена по запросу
Цена на подшипник зависит от:
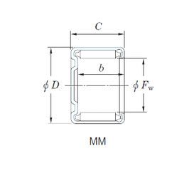
Габаритные размеры
Размеры и геометрические характеристики
Нагрузка и ресурс
Защита
Конструкция и исполнение
Другие размеры
Подшипник игольчатый радиальный CK182416E (EPK)
Подшипник роликовый игольчатый с наружным кольцом с плоским дном с сепаратором ВК182416
Подшипник роликовый игольчатый с наружным кольцом с профилированным дном без сепаратора НД182416
Подшипник роликовый игольчатый с наружным кольцом со сквозным отверстием без сепаратора НК182416
Подшипник роликовый игольчатый с наружным кольцом с профилированным дном без сепаратора СК182416
Роликовый игольчатый подшипник BK1816 (CX, INA, ISO, KOYO, NBS)