Главная > Подшипники> Роликовые > Радиально-упорные>18587/18520

18587/18520 — Однорядный конический роликовый подшипник, импортное производство по ISO стандарту, размер 39x73x16 номер основного исполнения .
Производится брендами: CX, ISO, KOYO, TIMKEN.
Цена от:1 388 р.
Цена на подшипник зависит от:
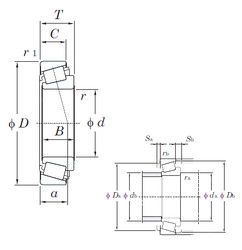
Габаритные размеры
Размеры и геометрические характеристики
Нагрузка и ресурс
Защита
Коэффициенты для расчета
Присоединительные размеры
Конструкция и исполнение