Главная > Подшипники> Роликовые > Радиально-упорные>18200/18337

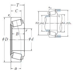
18200/18337 — Однорядный конический роликовый подшипник, импортное производство по ISO стандарту, размер 50x85x19 номер основного исполнения .
Производится брендами: CX, ISO, KOYO, NIS, NSK, TIMKEN.
Цена от:1 518 р.
Цена на подшипник зависит от:
Габаритные размеры
Размеры и геометрические характеристики
Нагрузка и ресурс
Защита
Коэффициенты для расчета
Присоединительные размеры
Конструкция и исполнение
Прочие характеристики